If you had a wired room thermostat t4 would have connected to that and thence to the zone valve motor but if replacing that with hive you short out the two switch wires to the thermostat or link them together at the control centre wiring panel to simulate that stat always calling for heat. Pete combicert 8889 views.
Hive Installation With Biasi Combi Boiler Screwfix
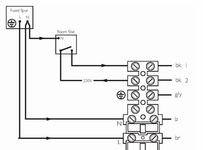
Hive thermostat wiring diagram. Weve created a guide for installing your hive active heating which you can download here. Im just trying to wire my hive receiver. Its just a simple set up at the min. The hive receiver is double insulated so doesnt need an earth connection. L n and i presume 3 is a switch for the boiler. Nest vs hive which is the best smart thermostat for you duration.
Youll find a tether on the backplate to secure an earth wire if needed. See pictures you can tell what one the old thermostat is. Hive active thermostat if i have a hive thermostat in my home but decide to move what should i do. I do only have 3 wires plus a earth which i believe you dont really need. Why do the letters on my terminals not match the color of the wire. Wiring hive thermostat to combi boiler duration.
Hi i have looked at you boiler make and model i have download the install manual and on page 28 i can see the wiring diagram from this i can see that you will need to a bit of work to get hive installed firstly some where there will be a switch that is connected to your boiler and you will need find this and you will need to run some new cable to the hive receiver this is the part that the. This means its ready to a stand off sls1 supplied separately to create connect to the hub and thermostat. North america how to set up your hive thermostat us video what should i do with any unused wires when installing my hive thermostat. Boiler to wired thermostat. Restore power to the central heating backplate remove it completely and wire in the system the receivers status light should hive receiver in its place. There would be no wires to t1 and 2 with this system.
If you do need support please contact us our opening hours are monday to friday 9am 7pm saturday 9am 5pm and sunday 10am 5pm webchat only. If needed you can use flash amber. The wiring must comply to the current editions of bs7671 iee wiring regulations part p of the building regulations and any relevant technical operational procedures. A video showing how to install a hive thermostat onto a worcester bosch greenstar 24i junior boiler.














