If you run into an electrical problem with your jeep you may want to take a moment and check a few things out for yourself. Wiring diagrams jeep.
Jeep Jk Window Switch Wiring Diagram Wiring Power Doors On
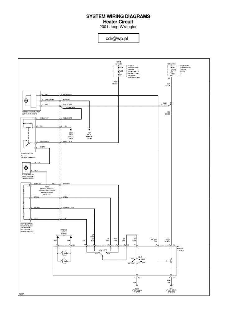
Jeep wrangler jk wiring diagram. A wiring diagram is a simplified traditional pictorial depiction of an electric circuit. Before you dive in with a multi meter you will want to obtain a free wiring diagram for your specific modelyou may need to locate a specific color wire and its exact location. Jeep wrangler tj showcase. It shows the parts of the circuit as streamlined forms as well as the power and also signal connections in between the gadgets. Recommended products trigger complete switching system with overhead switch mount underhood relay mount connector kits for 07 18 jeep wrangler jk. Assortment of jeep wrangler wiring harness diagram.
Jeep wrangler jl showcase. It reveals the elements of the circuit as streamlined shapes and also the power and signal links in between the devices. Jeep wrangler jk showcase. If you have an older jeep companies like painless wiring make complete wiring fuse and relay kits to replace every wire in your jeep from the front to the back. A wiring diagram is a simplified standard photographic depiction of an electric circuit. Jeep gladiator jt showcase.
Collection of jeep jk subwoofer wiring diagram. A wiring diagram is a streamlined conventional photographic depiction of an electrical circuit. Variety of 2014 jeep wrangler wiring diagram. It shows the elements of the circuit as streamlined forms as well as the power and signal connections between the gadgets.













