Kawasaki en500 vulcan 500 ltd electrical wiring diagram schematic 1996 09 here. This beautiful bike was bought new in 1979 and has many conversions done to it.
4f5e847 Kawasaki Gpz 550 Wiring Diagram Wiring Resources
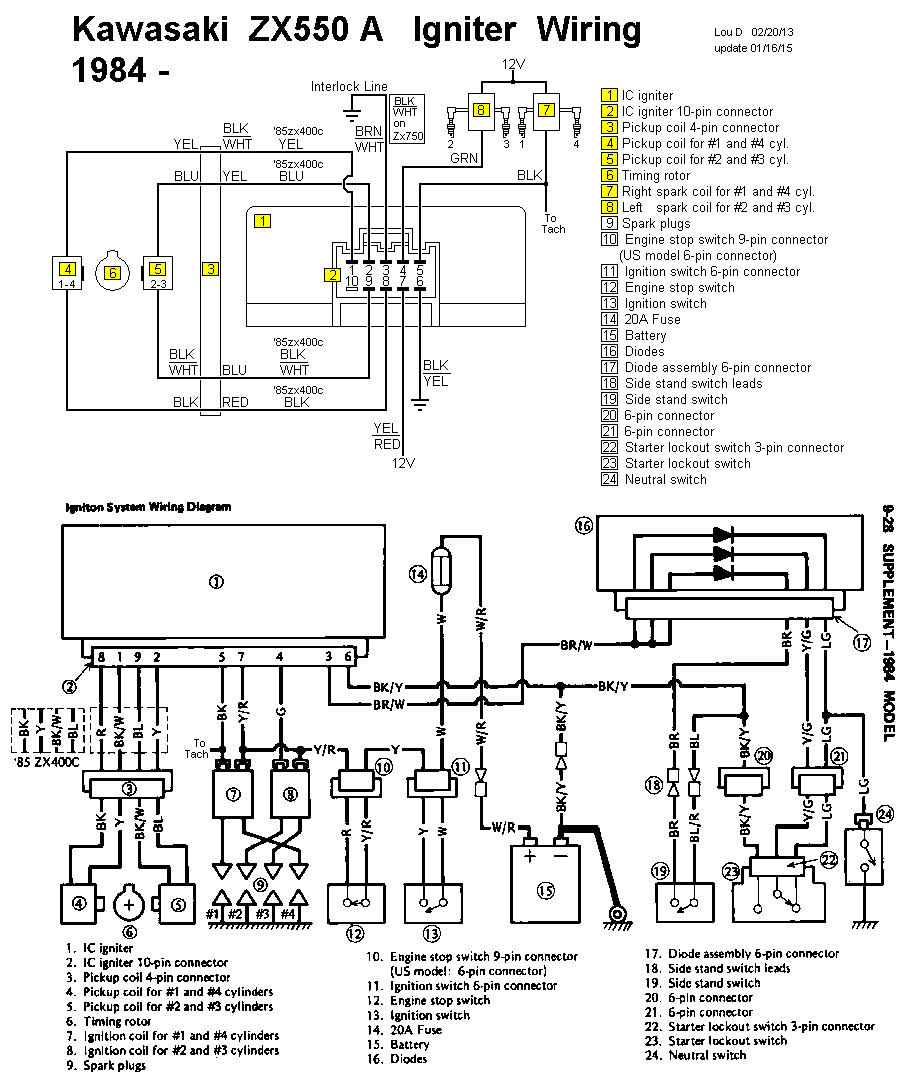
Kz550 wiring diagram. Kz550 wiring diagram wiring diagram is a simplified all right pictorial representation of an electrical circuit. Kawasaki kz550 z550 kz z 550 electrical wiring harness diagram schematic here. This circuit and wiring diagram. It shows the components of the circuit as simplified shapes and the skill and signal friends between the devices. 37 out of 100 based on 114 user ratings the kawasaki kz550 wiring diagram of the electrical system can be download for free. Kawasaki kz550 manuals manuals and user guides for kawasaki kz550.
Kawasaki bn125 eliminator 125 electrical wiring diagram schematic 1998 06 here. Kawasaki kz550 wiring diagram of the electrical system has been viewed 2056 times which last viewed at 2020 06 04 032455 and has been downloaded 7 times which last downloaded at 2017 12 25 132935 added by mila on 19 mar 2014. Kz650 wiring diagrams kz650 b1 kz650 b2 kz650 b2a kz650 b3 kz650 c1 kz650 c2 kz650 c3 kz650 d1 kz650 d1a kz650 d2 kz650 d4 kz650 e1 kz650 f1 kz650 f2 kz650 f3 kz650 h1 kz650 h2 z650 b3 z650 c3 z650 d2. Kawasaki kz550 wiring diagram of the electrical system has been viewed 2057 times which last viewed at 2020 06 04 121047 and has been downloaded 7 times which last downloaded at 2017 12 25 132935 launched by samantha on 19 mar 2014. 34 out of 100 based on 307 user ratings the kawasaki kz550 wiring diagram of the electrical system can be download for free. This circuit and wiring diagram.
We have 2 kawasaki kz550 manuals available for free pdf download. This months featured bike is evadss 1979 z650 b2.















