All of glow worms boiler and control product literature collected together in one place. Glow worm easicom 28.
Glow Worm 246 Back Boiler Manual
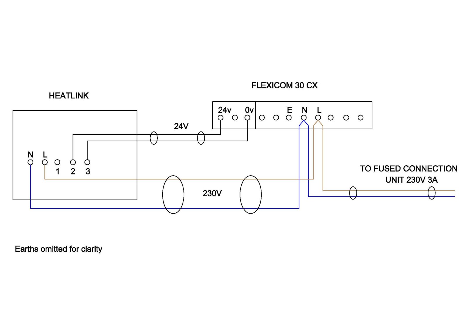
Glow worm boiler wiring diagram. Glow worm boiler wiring diagram wiring diagram is a simplified suitable pictorial representation of an electrical circuit. Top tips for wiring the glow worm climapro2 rf and climapro1 controls including installing glow worms outdoor weather sensor. Glow worm energy 25c. We have 1 glow worm ultimate 35c manual available for free pdf download. Glow worm energy 12s. Glow worm energy 25s.
This manual provides a step by step process for fault finding in the glow worm combi boilers as well as information on replacing parts and troubleshooting basic issues. 330 high efficiency condensing boiler 15 condensate drain gc no. Glow worm easicom 3 24c. How to wire a glow worm e bus control. Installation and servicing manual. Glow worm energy 18s.
Controls wiring for glow worm boilers wiring a glow worm climapro2 rf and climapro1 control duration. Glow worm capricorn 240 boiler. Glow worm energy 25r manuals manuals and user guides for glow worm energy 25r. High efficiency condensing combination boilers. H position of the opening in the airflue pipe. Glow worm easicom 3 28c.
Glow worm energy 15s. Glow worm energy 30c. The trouble shooting manual is linked below with an easy pdf download troubleshooting manual glow worm. 41 047 75 manufactured exclusively for british gas by glow worm type. View and download glow worm 24cxi instructions for use installation and servicing online. Glow worm easicom 24.
30cxi 38cxi 47 047 23 47 047 24 47 047 27. Glow worm capricorn 246 boiler. G wiring diagram 30 kw. It shows the components of the circuit as simplified shapes and the capability and signal contacts amongst the devices. Glow worm energy 30s. 230v50hz 60w fused at 3a for use on a plastic drain pipe must be fitted to allow discharge of.
Search 142 1 25 of 142 results. 24cxi boiler pdf manual download. It is important that the warnings be followed when conducting specific troubleshooting options and that only. Search for view and download installation and service manuals for any one of our award winning domestic boiler and heating control products. Glow worm ultimate 35c manuals manuals and user guides for glow worm ultimate 35c. Positioning of the opening of a fan supported flue gas pipe.
Glow worm compact 100e.











