Eat a few boxes of jujifruits and youll be dropping obamas like there. Ducati skunkworks 998 with 1098 engine project.
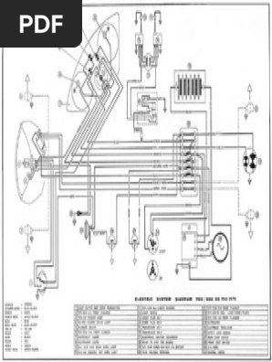
Ducati 350 Mototrans Wiring Diagram 1973
Ducati 1098 wiring diagram. Ducati 1098 electrical circuit diagram has been viewed 2522 times which last viewed at 2020 07 07 110443 and has been downloaded 7 times which last downloaded at 2016 08 16 141306 posted by violet on 19 mar 2014. Ducati1967 70 ducati singles workshop manual. Although im pretty sure theyre spot on from looking at the wiring diagrams. Page 3 ducati motor holding spa. Ducati350 650 indiana spare parts catalog. Ducati company was founded in 1926 in bologna.
Some ducati motorcycle manuals pdf wiring diagrams are above the page d16 monster diavel sportcassic streetfighter multistrada superbike. This monster is powered by a six speed 1099 cm³ longitudinal 90º l twin cylinder four stroke engine with toothed belt double overhead camshaft 4 valves per cylinder and 8 rocker arms that generates 117 kw maximum power at 9750 rpm and 116 nm maximum torque at 8000 rpm. Powered by vbulletin version 388. Thanks daniel show full signature. The first page is ecu pin functions for the 1098 sport 1000s and multistrada 1000ds. Ducati 1098 wiring diagram ducati 1098 wiring pdf ducati 1198 wiring diagram electrical diagram ducati 1098 pdf wiring diagram ducati 1098.
Ducati1098s tricolore parts 2007. Jump to latest follow 1 3 of 3 posts. The time now is 1025 pm. Ducati350 mototrans wiring diagram 1973. Ducati160 monza jr owners maintenance service manual. Page 1 use and maintenance manual 1098 1098s.
To me the ducati 1098 is one of the best superbike ever made. Cannot accept any liability we are sure that you will use your ducati for longer journeys for errors that may have occurred in the preparation of this as well as short daily trips but however you use your manual. Table of contents table of contents adjusting the position of the gear change and rear. This circuit and wiring diagram. The second page is gauge pins for the 1098 and sport 1000s. Ive spent a lot of time researching these but there could always be a mistake.
In 1985 cagiva another italian motorcycle manufacturer absorbed ducati while preserving the brand that had already become quite famous though after hesitating. All times are gmt 7. 58 out of 100 based on 349 user ratings the ducati 1098 electrical circuit diagram can be download for free. Click on a term to search for related topics.

















