It reveals the elements of the circuit as simplified forms and the power and also signal links between the gadgets. Integrated power module ipm integrated power.
Af 2006 Pt Cruiser Brake And Tail Lights Allpar Forums
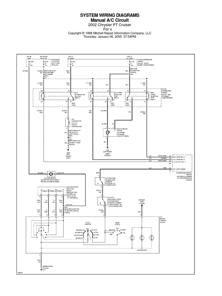
Pt cruiser wiring diagram. Listed below is the vehicle specific wiring diagram for your car alarm remote starter or keyless entry installation into your 2006 2008 chrysler pt cruiserthis information outlines the wires location color and polarity to help you identify the proper connection spots in the vehicle. Owners manual 491 pages quick reference manual 13 pages owners manual 368 pages. Also see for pt cruiser. Here is the starting system wiring schematic for a 2007 pt cruiser. It shows the components of the circuit as simplified shapes and the knack and signal connections amid the devices. Radio wiring diagram for dummies.
Need radio wiring diagram 2006. Sound and security. 02 jul 2008 1045 pm. Car stereo wiring diagrams car radio wiring car radio wiring colors car radio wire car radio connections wiring diagram car radio wire colours. Since early 2014 is under 100 control of the italian automotive concern fiatthe general director is sergio marchionne at the same time he is the chief executive of fiatin january 2014 after the consolidation of 100 of the shares of the american chrysler fiats board of directors decided to create a new unified automotive company fiat chrysler automobiles headquartered in the netherlands. 2005 2006 2007 2008 2009 2010.
Sound and security forum. 30 sep 2015 0238 pm. Sep 28 2011 2007 chrysler pt cruiser touring hatchback. Tech performance forum. A wiring diagram is a simplified standard photographic representation of an electrical circuit. We have actually accumulated numerous pictures ideally this image works for you and also assist you in locating the answer you are searching for.
Sound and security forum. Need to install remote starter and need wiring diagram for 2007 pt cruiser. 02 05 chrysler pt cruiser 02 05 chrysler sebring sedan and convertible 02 05 chrysler town country 02 03 chrysler voyager. Pt cruiser wiring diagram wiring diagram is a simplified tolerable pictorial representation of an electrical circuit. September 8 2018 by larry a. Wellborn collection of 2001 pt cruiser wiring diagram.
Chrysler 300c 2006. 10 nov 2009 0935 am. 2001 pt cruiser stereo wiring diagram. Good luck with your installation. Chrysler pt cruiser 2005 2010 fuse box diagram. 2007 pt cruiser fuse box diagram welcome to my web site this message will certainly go over concerning 2007 pt cruiser fuse box diagram.
















