The level voltage is generated using the comparator lm324 whose inverting terminal is fed using a fixed voltage source and the noninverting terminal is fed through a capacitor connected to the collector of an npn transistor. Below we have categorized the individual wiring diagram pdf sheets neatly for you to find exactly what you are looking for quickly and easily.
Diagrams And Schematics Aboutelectricity
Soft starter control wiring diagram. Soft starter actually an electronic device that has a command on the starting of an electronic motor with the help of managing the voltage appliednow lets find what we need for a starter for any motor. This video will show you how to wire soft starter and isolation contactor with soft start or soft stop function. It shows the components of the circuit as simplified shapes and the power and also signal connections between the devices. It reveals the elements of the circuit as simplified shapes as well as the power as well as signal connections between the devices. Easystart soft starter wiring diagrams thanks for visiting our wiring diagram resource page. Soft starters are starting devices used for the acceleration deceleration and protection of the three phase electrical induction motors through the controlling applied voltage to 3 phase motor.
Mostly industrial motors are single phase or three phase induction motor depends upon supply fed to it. Block diagram showing electronic soft start system for 3 phase induction motor. Soft starter with torque control adx for three phase induction motors squirrel cage adxbp. Standard duty 22a to 231a with integrated bypass incorporated. It contains the wiring of 3 phase power source input the output to motor and the bypass contactor connection. An alternative current motor is capable of self starting because of the relationship between the flux of.
July 22 2018 by larry a. The starter should be set up and used by qualified personnel and in any case in compliance to current installation standards to avoid damages or safety hazards. A wiring diagram is a streamlined traditional photographic representation of an electrical circuit. A wiring diagram is a simplified standard pictorial depiction of an electrical circuit. Induction motor is the most frequently used motor for industrial as well as domestic applications. The soft starter has following wiring connections.
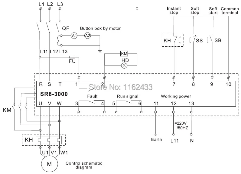
Collection of soft starter wiring diagram schneider. If for some reason you do not find a specific soft starter wiring diagram you need please feel free to. Then we shall move towards the circuit diagram of soft starters for induction motors. That is the wire comes from 12 external terminals which including control signal and analogue output signal. Click the notification bell to get a notification about new videos. Allen bradley soft starter wiring diagram sample variety of allen bradley soft starter wiring diagram.

















