Oh and i got 48v version and im hoping to wire in a wireless kill switch is the ignition connector also 48v or will it be 12v. Complete guide manual how to connect and set mh1210w device.

Us 9 53 18 Off Mh1210w Ac 110 220v Digital Temperature Controller Thermostat Calibration Temperature Controller Kits With K Type Probe
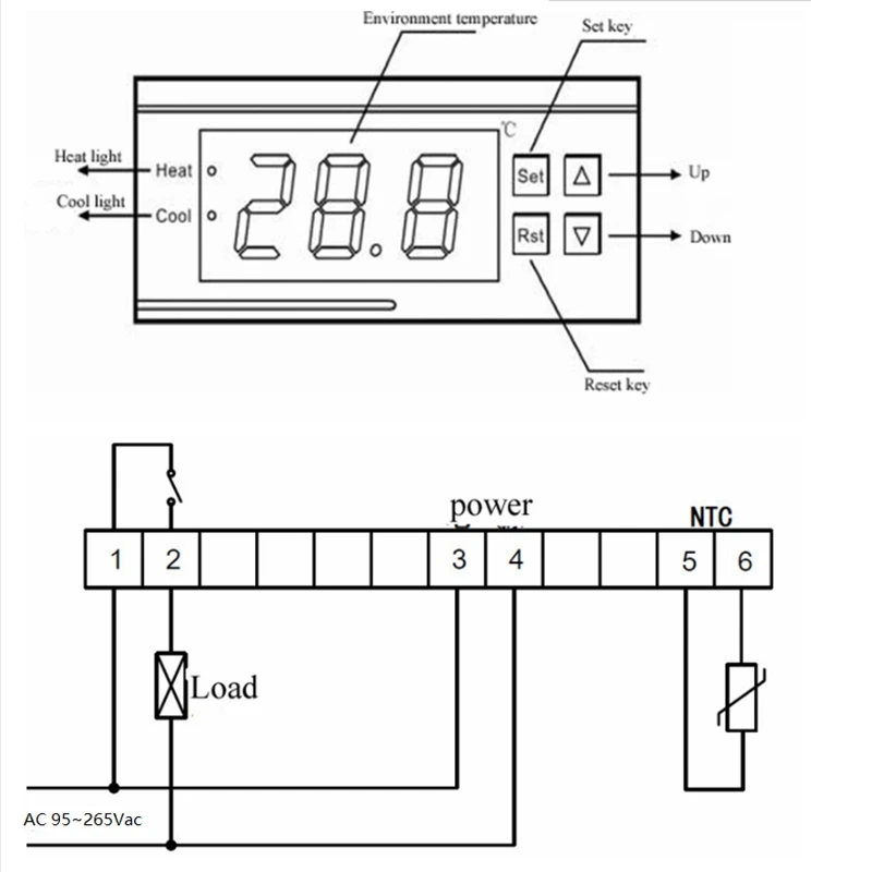
Mh1210w wiring diagram. Wiring and programming of ringder 116m. Make sure to install the loaded equipments voltage is identify with temperature control host machines voltage. After installation apply the protective cover to cover. Make sure to install the loaded equipments voltage is identify with temperature control host machines voltage other wire the wire connection cannot according to this figure. Operating instructions user manual owners manual installation manual workshop manual repair manual service manual illustrated. When installing the wiring please make sure that the working voltage of the load itself and the voltage marked by the thermostat are the same voltage value otherwise you cannot connect according to this figure.
Could also cause an issue with the main ignition switch im realising immediately after ordering. When it were in setting situation quit the setting situation by pressing it. After wiring should inspect after the line whether correct in circular telegram in order to avoid burns out carelessly warm controls and the load equipment after the installment applies the necessary protection top plate mask. Installs when the wiring please guarantee the load itself working voltage and warm. This effects the switch i get. Schematics diagrams mh1210 schematics electric electronic hydraulic describe the internal technical diagrams of the product.
The schematics are helpful to repair the product in case of dysfunction. Otherwise the rst on off button press it 3s to switch off press it 3s to switch on. Installation wiring diagram when installing the wiring please make sure that the working voltage of the load itself and the voltage marked by the thermostat are the same voltage value otherwise you cannot connect according to this figure. Abraham hispano tesoros 8240 views. Termostato digital mh1210w instalación y programacion siguenos en dendro exotic en facebook duration. In this manual i will show you how to properly connect and set up a good temperature controller from china.
Installs the wiring diagram. 12v digital thermostat wiring and install into tractor cab duration. 1pcsdigital mh1210w temperature humidity hygrometer thermostat controller 10a sensor. How to properly connect terminals do not connect under electric current first let me explain wiring on my scheme. Ivan strapko 83801. Temperature controller mh1210w manual with settings duration.
Gallery of Mh1210w Wiring Diagram




