Installation instructions for the universal thermostatically controlled electric fan relay kit be sure to route wires in a manner so that they do not chafe on any sharp metal edges and use proper terminals and connectors at all connecting points to insure proper electric fan function. No seat back cushion.

Automotive Relay Diagram
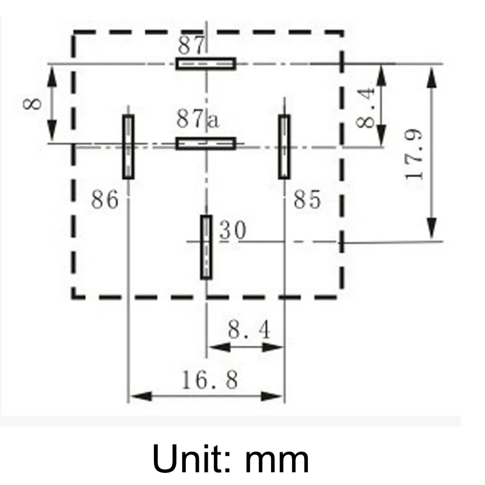
Jd2912 1h 12vdc wiring diagram. As you can see from the diagrams above and below its really a simple circuit that not only provides the proper connections to control the cooling fans but unlike the switch under the dash method you wont ever have to worry about forgetting to turn the fans on. I go over what each contact of the relay is for and how to understand the schematic that is. Next if youre certain to buy ehdis car relay 4 pin 12v 40amp spst model no. Jd26 16 12vdc 1h d p. If you need a relay diagram that is not included in the 76 relay wiring diagrams shown below please search our forums or post a request for a new relay diagram in our relay forum. Belt seat back cushion jd16.
Dozens of the most popular 12v relay wiring diagrams created for our site and members all in one place. Ehdis car relay 4 pin 12v 40amp spst model no. Instructions for wiring a standard automotive relay with descriptions of the pin out and the schematic. Jd2912 1h 12vdc 40a 14vdc auto switches starters 2 pack 46 out of 5 stars 257 1 best seller in automotive replacement. 12 vdc automotive 5 pin relay spdt 3040a bosch type this bosch type 12v 40a relay is widely used in car sound and automotive security installations. 3 5 6 9 12 18 24 48vdc.
Jd2912 1h 12vdc product details the jd2912 1h 12vdc parts manufactured by zylw are available for purchase at jotrin electronics website. The relay features a plastic housing with mounting tab for easy installation. 12vdc 1a 40a 14vdc 3 jd2912 1h 12vdc wiring 3 12 v 1 amp to 12 v 40 amp 1 jd2912 für was ist es 1. Jd2912 1h 12vdc 40a 14vdc auto switches starters 10 pack make sure you just click buy button down below. Here you can find a wide variety of types and values of electronic parts from the worlds leading manufacturers.
Gallery of Jd2912 1h 12vdc Wiring Diagram

