From baxi range guides installation manuals user guides and more here youll find all the product literature you need for your next job. Just click on the model or the gas council number and the manual will download at the bottom of the page.
Mechanical Timer Switch Boilers Amp Hot Water Tanks
Baxi wiring diagram. Boiler manuals for the baxi solo 3 60 pfl appliance. Discuss wiring a thermostat to baxi combi boiler is this the right way. There is more help available. Solo 3 pfl 60 installation and servicing guide view manual download mb. The boiler is designed for use on natural gas g20. Page 5 ventilateur mvl rg 128 gas valve sit 848 sigma vanne à gaz sit 848 sigma diverter valve baxi vanne à deux voies baxi 24 installation 24 installation minimum clearances for servicing espaces minimaux pour lentretien 866 in 220 mm en haut 866 in 220 mm.
This is the wiring diagram from the stat from what youve said im guessing it should be live to lx then neutral from l1 back to boiler. Jan 10 2014 1. The boiler is suitable for. Baxi solo 3 wiring diagram. Standards of installation and commissioning of central heating. Our highest priority is the safety of all our valued customers and colleagues especially as we face the battle against covid 19.
Baxi boiler manuals listed below are all the manuals for baxi. Baxi boiler wiring diagram. After you have downloaded the manual double click on the download for the manual to open if you want to save the download right click. Mend baxi boiler wiring diagram. Where can i get a wiring diagram for a baxi bermuda back boiler heating system. Mark lowe november 2005.
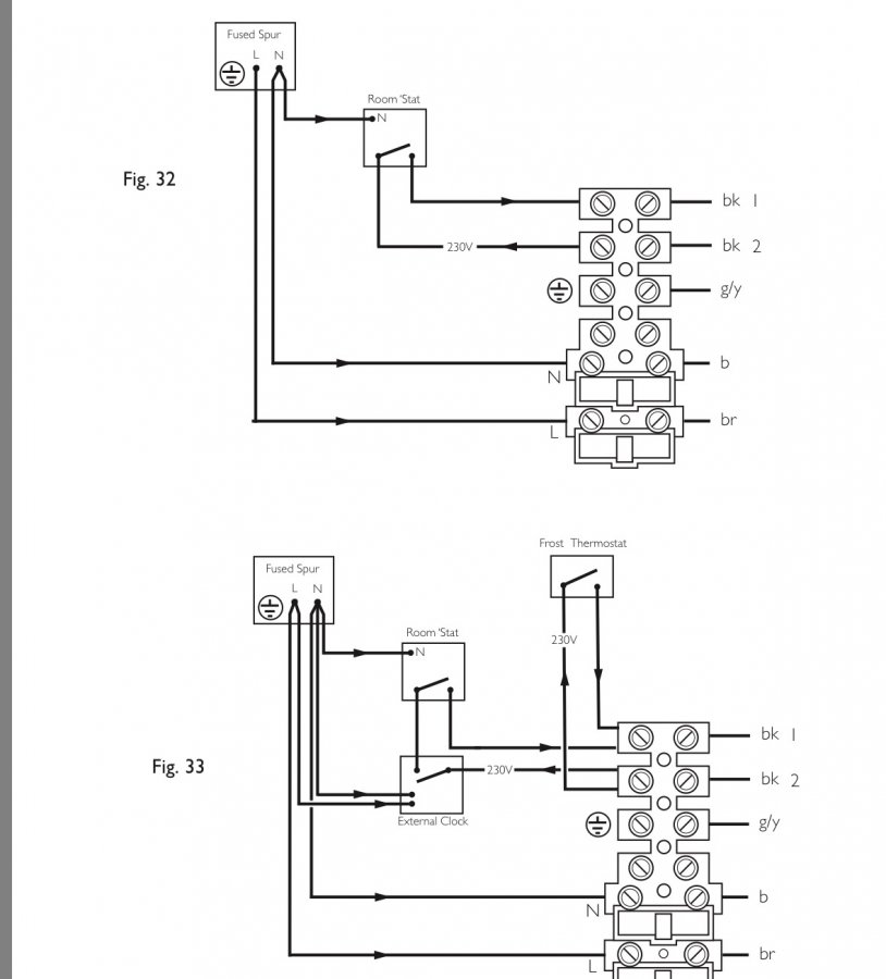
I need to rewire the timer and switch plus the thermostat. Baxi solo 2 pf boiler central heating problem electrical ive no wiring diagram but my understanding is that ive a switched live in the timer live has v usually the yellow or black if a 3 core depending on cable age. This official sponsor may provide discounts for members. The baxi solo he a range are gas fired room sealed fan 3. The wiring diagram shows 230v from the boiler bk2 to the the thermostat which should then return to the boiler b1. Boiler diagrams spare parts and user manuals for baxi bermuda inset 504 asd wiring diagram 24 hour delivery on genuine manufacturer boiler spares 30 day money back guarantee.
As shown in the diagrams figs.











