Operating manual getting started irc5 and robotstudio 3hac027097 001 technical reference manual system parameters 3hac17076 1 application manual multimove 3hac021272 001. O irc5 é o controlador de robô da 5ª geração da abb sendo a chave para performance em termo programabilidade e sincronização com dispositivos externos.
Abb 3hac024222 001 Robot Irc5 Fan Harness Cable
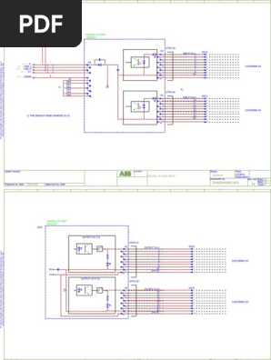
Abb irc5 wiring diagram. Controller abb irc5 compact wiring diagram 50 pages robotics abb irc5 operating manual. Robotstudio 32 pages controller abb pluto safety plc operating instructions manual. View and download abb irc5 compact wiring diagram online. Abb irc5 m2004 wiring diagram application manual controller software irc5 manualzz com abb irc5 m2004 wiring diagram wiring diagram is a simplified customary pictorial representation of an electrical circuit. Irc5 compact controller pdf manual download. Old s3s had ss s4 generation it went away but reintroduced in irc5.
Robotstudio 32 pages controller abb ach550 01 user manual 478 pages controller abb acs150 user manual 130 pages controller abb acs55 01e 01a4 2 user manual. In addition to abbs unique motion control it brings flexibility safety modularity application interfaces multi robot control and pc tool support. The purpose of this document is to guide the reader through the process of establishing communication between an existing abb irc5 robotic controller and an abb cp600 hmi panel. Gs general stop sometimes used for safety mats scanners light screens and such. It shows the components of the circuit as simplified shapes and the facility and signal links in the company of the devices. Connecting to an abb irc5 controller.
Controller abb irc5 compact wiring diagram 50 pages robotics abb irc5 operating manual. Programmable safety system intended for safety applications 55 pages controller abb ac 31 technical manual. Ss superior stop intended for use by some superior device like plc or computer. The goal of this course is to provide participants with the required theoretical knowledge to read and use the wiring diagrams in the right manner. Based on more than four decades of robotics experience the irc5 is the robotic industrys benchmark in robot controller technology. Acs55 series 268 pages.
















