Delivers space saving benefits and easy commissioning through one phase power input. Irc5 controller abb3hac020536 014.
Abb Irc5 Compact Manuals Manualslib
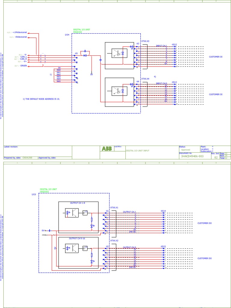
Abb irc5 compact wiring diagram. View and download abb irc5 compact wiring diagram online. Irc5 compact controller pdf manual download. We have 12 abb irc5 compact manuals available for free pdf download. Controller abb irc5 compact wiring diagram 50 pages robotics abb irc5 operating manual. Controller abb irc5 compact wiring diagram 50 pages robotics abb irc5 operating manual. Offers the capabilities of the powerful irc5 controller in a compact format.
Product manual operating manual wiring diagram. Controller abb irc5 compact wiring diagram 50 pages robotics abb irc5 operating manual. Robotstudio 32 pages controller abb acs150 user manual 130 pages controller abb ach550 uh hvac installation operation maintenance manual. Press release irb 120 industrial robot and irc5 compact controller english pdf press release abb puts robot control in the panel english doc press release robot teach pendant overview english wmv movie 3cirb120camera assembly sd disk insertingdemold english wmv movie. Abb irc5 compact manuals manuals and user guides for abb irc5 compact. Weldguide iii wiring kit.
Robotstudio 32 pages controller abb acs150 user manual 130 pages controller abb pse 18 installation and commissioning manual 104 pages controller abb acs580 01 hardware manual 226 pages. Robotstudio 32 pages controller abb pluto safety plc operating instructions manual. Programmable safety system intended for safety applications 55 pages controller abb ac 31 technical manual. External connectors for all signals and a built in expandable 16 in 16 out io system. Weld timer bosch compact. Heat exchanger unit.
Abb irc5 compact wiring diagram.














