No more flipping through books to find what you need. The sv2 is a compact scv while the sv1 is a bit.
Gsic Global Service Information Center
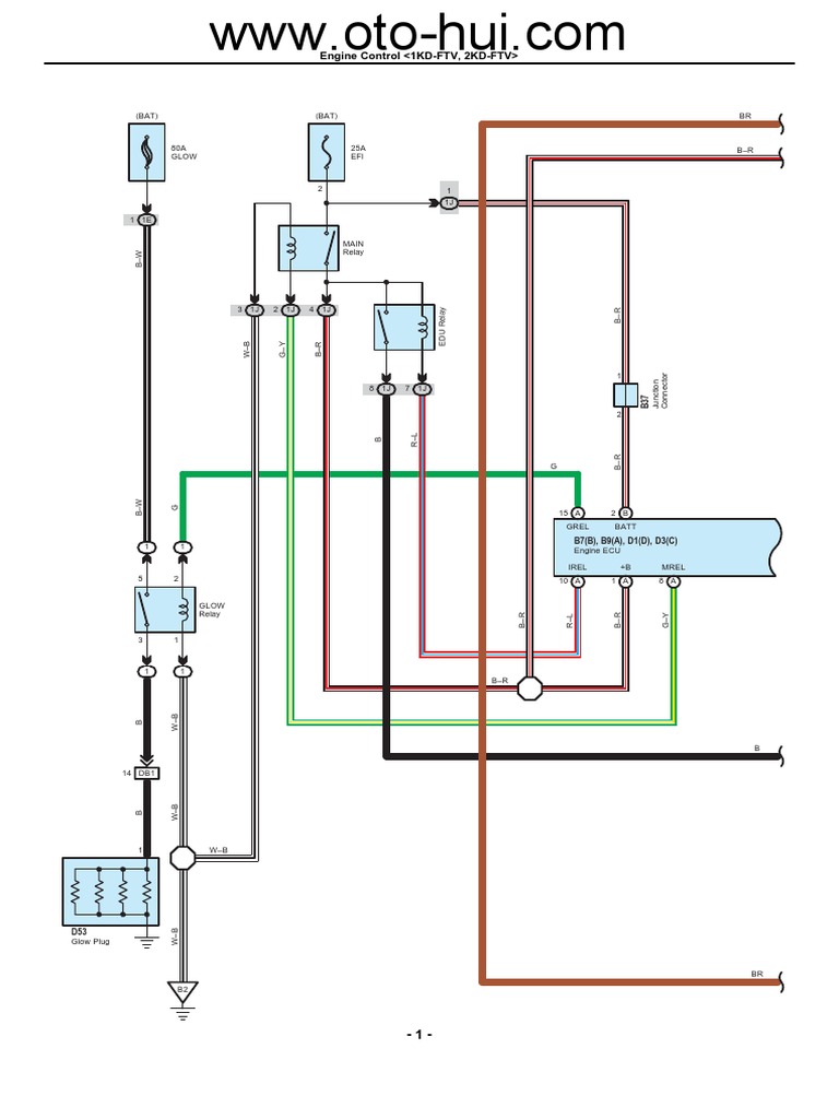
2kd ftv wiring diagram. Wiring diagram ecu 2kd ftv free download as pdf file pdf text file txt or read online for free. Crs equipped with the 1kd ftv and 2kd ftv engines. Under normal operations fuel injection. Toyota wiring diagrams 2 toyota workshop manuals 3 toyota 11b 1 toyota 14b 1 toyota 18r rg 1 toyota 1cd ftv 2 toyota 1e and 2e 1 toyota 1fz fe 2 toyota 1gr fe 1 toyota 1hz and 1hdt 1 toyota 1kz te 1 toyota 1kz te engines repair manual 1 toyota 22r 1 toyota 2kd ftv engine 2005 1 toyota 3b 1 toyota avalon 2006 1. When overall connections are required see the overall electrical wiring diagram at the end of this manual. Wiring related to each system is indicated in each system circuit by arrows from to.
Complete step by step instructions diagrams illustrations wiring schematics and specifications to completely repair your engine workshop service manual with ease. 52 injection pattern in this crs system injection occurs a maximum of three times. Download view wiring diagram ecu 2kd ftv as pdf for free. Operational concept diagram operation 1 scv types sv1 sv2 the scv is available in the sv1 type and sv2 type. Print only the pages and diagrams you require. Internal wiring for each junction block is also provided for better understanding of connection within a junction block.
You get everything you will ever need on one easy to use cd manual. Engine control 1kdftv w dpf 2kdftv vn turbocharger w dpf vr 24 can r18r can 32 2q 2q 30 stp 8 w gw stop lamp sw 154 alternator 15 23 u alt sta 6 w ly st fuse 12 spd v 16 p 16 v thwo p combination meter 507 y rl 10 ac1 vv13 act 28 v v29 imi imo transponder key ecu83 yg yb rear side of the.

















