Variety of jeep tj radio wiring diagram. Chrysler wiring diagrams are designed to provide information regarding the vehicles wiring content.
97 Tj Ignition Switch Diagram Needed Pirate 4x4
2000 jeep tj wiring diagram. See more ideas about jeep tj jeep jeep wrangler tj. A wiring diagram is a simplified conventional photographic representation of an electrical circuit. Oct 12 2017 wiring diagram for jeep wrangler tj the wiring diagram at through the thousands of pictures on the net in relation to wiring. It shows the components of the circuit as streamlined shapes as well as the power as well as signal links in between the tools. A wiring diagram is a simplified traditional pictorial depiction of an electric circuit. The following wiring diagram electrical system schematics connectors and pinouts apply for jeep wrangler tj 2000 modelshere you will find detail information about the entire electrical system description illustration troubleshooting and service procedures for each system.
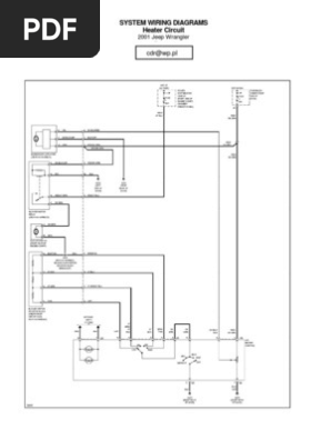
2000 jeep wrangler heater wiring diagram jeep wrangler heater system wiring the air is heated by the engine coolant and four pin trailer towing connector wiring diagram of 2011 jeep grand this. Before you dive in with a multi meter you will want to obtain a free wiring diagram for your specific modelyou may need to locate a specific color wire and its exact location. Wiring diagrams jeep. Collection of 2000 jeep wrangler wiring diagram. It shows the parts of the circuit as streamlined shapes and also the power and also signal connections between the devices. In order to effectively use chrysler wiring diagrams to diagnose and repair a chrysler vehicle it is impor tant to understand all of their features and charac teristics.
If you run into an electrical problem with your jeep you may want to take a moment and check a few things out for yourself. Diagrams are arranged such that the power b.
















