And even in colour the humans are dead i kick arse for the lord. Well the rxs is a cracking little bike but the 6 volt electrics really let it down.
Mh 7945 Outboard Parts Diagram Free Download Wiring Diagram
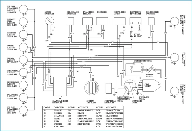
Yamaha rxs 115 wiring diagram. Yamaha xc125 riva xc 125 exploded view parts list diagram schematics here. If you enjoy spending your weekends boating out on the water you know that if you dont. Page 1 owners manual usaedition lit 18626 06 63 6n6 28199 1d. Yamaha xc115 s fiore xc 115 illustrated parts list diagram manual here. Johnson outboard wiring diagram pdf wiring diagram collection. Yamaha sr250 sr 250 illustrated online parts diagram schematics here.
How to convert your yamaha rxs100 from 6v electrics to 12v electricswhy. The yamaha 115 horsepower digital manual covers every aspect of maintenance overhaul and repair. So what is energy induction system. If you have any question about the operation or maintenance of your outboard motor please consult a yamaha dealer. Page 2 emu25060 zmu01690 read this owners manual carefully before operating your outboard motor. Yamaha rxs100 12v conversion.
To simply explain there is a air chamber just between the carburetor. Im still looking for the wiring diagram for the 1980 yamaha xt 250. Yamaha outboard wiring diagram inspirational yamaha 703 remote. When air fuel mixture is sucked in to the cylinder at lower rmp. Yamaha diagrams schematics and service manuals download for free. Yamaha outboard wiring diagram pdf collections of johnson outboard wiring diagram pdf wiring diagram collection.
And the cylinder intake manifold. Yorkie bar kid for the yamaha rxs diagrams nah for the rieju rs1 diagram nsrmick for the nsr250 diagram cerantola fot the zx 910 and 11 diagrams. Rxs yamaha wiring diagram motorcycles question. Okay this is my first instructable so be nice please. This sentence is usually embedded on the rxs side cover too. Yamaha sr250 sr 250 electrical wiring diagram schematic here.
Important manual information emu25110 tain maximum enjoyment from your new yamaha. Yamaha 2 dsp hist yamaha 2 z9 webpdf yamaha 2006generalcatalogue yamaha a1 integrated amplifier service manual yamaha a720 integrated amplifier service manual yamaha a960 integrated amplifier service manual yamaha a1000 integrated amplifier service manual yamaha a 1020 yamaha ampli99 cat32 us yamaha aus. Yamahas energy induction system. Do this conversion and youll ha. Yamaha outboard wiring diagram wire center. Hi joel for this scenario you will need your serviceowners manual if you cant find the first and best tool you ever bought for your yamaha despair not for a mere 0 you can download another one.
A downloadable yamaha 115hp outboard motor repair manual termed service manual owners manual or workshop manual is a digitally transmitted book of repair instructions.

















