The volt gauge will use 1 hot red wire and 1 green grounding wire. Use the flashlight or drop light to see the wiring under the dash.
Catalog
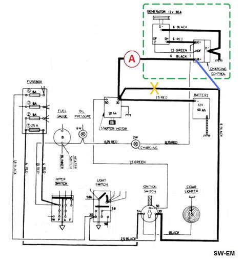
Wiring diagram for amp gauge. Assortment of volt amp meter wiring diagram. 2 classic instruments amp gauge should only be used on vehicles with alternators rated at 60 amps or less. When you connect to the amp gauge youll use 1 red wire and 1 black wire that will both carry a current. Amp gauge wiring 1 always disconnect the ground lead from the vehicle battery before wiring any gauge. Sears st16 wiring harness head light key neutral amp gauge switch tractor oh160 duration. This is a very common wiring use of a 4 channel amp for situations in which youd like more power available and dont need 4 separate amplifier channels.
2 wire minimum with an insulation temperature rating of 220 f 105 c minimum from the battery. Wiring diagram december 15 2019 0525 voltmeter gauge wiring diagram in car amp meter voltmeter gauge wiring diagram wiring diagram is a simplified customary pictorial representation of an electrical circuit. Leave the wires loose inside your vehicle while youre working so you dont break or damage them before you finish your installation. Bridging is a special feature in car amplifiers which lets you get the maximum amount of power they can produce by using a built in channel sharing design. Position your newly crimped wire terminal between the vehicle body and the alternator mount. Remove the alternator mounting bolt with an appropriately sized socket wrench and separate the alternator from the vehicles body about 14 inch.
Use the wiring diagram and test light or multi meter to locate the positive wire from the alternator to the fuse block. It shows the components of the circuit as simplified shapes and the facility and signal contacts with the devices. Of the alternator to the left terminal on the ammeter see wiring diagram. Then locate any wire that has power with the ignition off. Crimp a round wire terminal onto the end of the black negative wire coming from your amp gauge. Using an alternator with higher output capacity is dangerous and could cause a fire.
Connect an 8 awg 100 mm. Larry winn 2304 views. A wiring diagram is a simplified traditional photographic representation of an electric circuit. It reveals the elements of the circuit as simplified forms and the power and signal connections between the devices.














