Basics 10 480 v pump schematic. Toyota 1kd engine wiring diagram pdf hilux electrical wiring diagram tuning concepts the written permission of toyota motor corporation.
Diagram Based 1979 Kenworth Wiring Diagram Completed
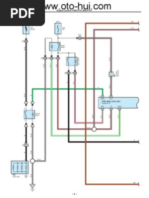
Vigo electrical wiring diagram pdf. Download toyota 1kd engine wiring diagram toyota 1kd engine wiring pdf. 5 6 7 8 41 hilux cont d cont. Vigo neither installs nor supervises the installation nor hires a contractor for this purpose. Pp 6mklxw 6iwivzih 8lmw fsso qe. Hilux repair manual hilux new car. Consequentl y vigo cannot be held responsible for any default breakage or damages caused.
This wiring diagram manual has been prepared to provide information on the electrical system of the hilux. Basics 11 mov schematic with block included basics 12 12 208 vac panel diagram. 1 hilux connector. Basics 9 416 kv pump schematic. Basics 13 valve limit switch legend. Ownerend user of the product covered by the present warranty is entirely responsible for its proper installation and electrical wiring.
Basics 8 aov elementary block diagram. Next page fl fl fr 19 fl r 18 fl g s 4 7 fr w 6 fr r s 5 1 2 w fr 2 b w 1 w l w 5 3ig1 p 4ig1 l 17 rr g 16 rr r. Basics 14 aov schematic with block included basics 15 wiring or connection. Kun15 16 25 26 series for service specifications and repair procedures of the above models other than those listed in this manual refer to the following manuals. Consequently vigo cannot be held responsible for any default breakage or damages caused. Basics 7 416 kv 3 line diagram.
Vigo neither installs nor supervises the installation nor hires a contractor for this purpose. Ownerend user of the product covered by the present warranty is entirely responsible for its proper installation and electrical wiring.

















