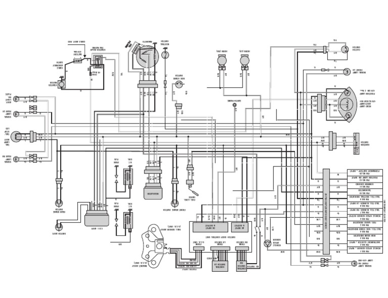
Tvs apache rtr 180 page 990 in tvs apache wiring diagram image size 720 x 547 px and to view image details please click the image. We do not have official catalogue pdf of spare parts for tvs apache 160 rtr fi.
Priknik Led Strip Tail Light Turn Signal Brake Indicator
Tvs apache rtr 160 wiring diagram. 15122018 15122018 5 comments on apache rtr 160 wiring diagram. Get solutions for tvs apache rtr wiring diagram. Dealer mechanic will add extra cost of labour if you decide to purchase and fit it. Motion sensor wiring diagram. Free harley wire diagram for xlh sportster hi anonymous for a free wiring diagram please visit the website below and good luck. Tvs apache rtr 160 wiring diagram wiring diagram is a simplified enjoyable pictorial representation of an electrical circuit.
Thanks for showing the wiring diagram however i am not able to identify the pickup coil and the alternator inputs for the cdi it seems the cdi coil is supposed to be all electronic not sure. In this video i tested 0 to 60 to 100 timing on tvs apache rtr 160 race edition. 3 phase 6 lead motor wiring diagram. Travel trailer battery wiring diagram. Uml 20 class diagram notation. It shows the components of the circuit as simplified shapes and the capacity and signal associates between the devices.
Rates may vary over the time. These bikes have cdis from the company itself. Free help troubleshooting support for tvs apache rtr wiring diagram related topics. Tvs apache rtr 160 wiring diagram. You can find and buy tvs apache 160 rtr fi spare parts online. Tvs motor company introduces the all new 2020 range of tvs apache rtr 200 4v and tvs apache rtr 160 4v.
2007 chevy cobalt rear brake diagram. Check price in india buy online. Tvs apache rtr 160 comes with a 12 litre tank and the exact amount of fuel left in a bike varies from bike to bike but the last fuel indicator bar starts blinking when there is around 1 2 litres fuel left in the tank. Is it possible to enhance the performance of these bikes or a. Please check online shopping websites for latest price. Here is a picture gallery about tvs apache wiring diagram complete with the description of the image please find the image you need.
The 2020 apache rtr 4v series comes with rt fi engine and will offer an array of enhanced features like new led headlamp feather touch start new race graphics. Tvs apache rtr 160 buy all spares including body partsengine partsshock absorbersclutch partsgear partscarburetor partswheelssuspension parts for apache rtr 160 at indias best online shopping store for motorcyclesbikesscooters scooty. This is in line with the philosophy of the tvs apache series that has. How long will it go depends on the mileage of the car and riding style. 2stroke and a tvs apache rtr 160.












