Wiring place one t max 3w g2 in the tanning room and one at the desired remote location. A master t max 3a can only control one t max timer in the tanning room.
T Max 4500 Winch Wiring Diagram
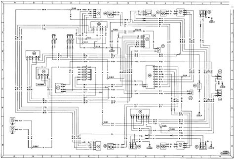
T max wiring diagram. Connect the 9v at 300ma power supply to the pwr in screw terminal on the back of each t max 3a. How to correctly solder a vertical copper pipe. Page 8 the traxxas tq 3 radio system t maxx wiring diagram your t maxx model 4910 is equipped with the tq 3 radio system. 525 x 525 1 t max 3w g2 users guide pcb. Either a t max 3w g2 or a t max certified in bed timer. These drawings reflect the harness assemblies that are currently available from model t suppliers.
Wiring a 240v outlet step by step from breaker to outlet duration. T max australia pty ltd1 st to introduce an australian government tested ip67 rated waterproof dust proof winch to australia1 st to manufacture introduce a fully electronic side step to australia1 st to design patent the tuff gear 30 kinetic rope for australia. Ford sierra wiring diagrampdf. This timer is referred to as the salve. Wiring place one t max 3a in the tanning room and one at the desired remote location. A master t max 3w g2 can only control one t max timer in the tanning room.
Plug each power supply into a 120vac outlet. Ford s max 2006 electrical wiring diagramrar. Wiring diagrams admin 2017 09 11t0608571000 electrical circuit diagram for a cordless remote control electrical circuit diagram for a normal remote control. Model t harness wiring diagrams by bob cascisa version 10 04 07 2019 here are wire harness electrical drawings for the 1919 1927 model ts. Trial n error recommended for you. They are intended to show electrical inter connections of the harness assemblies.
The tq 3 is a 3 channel system that provides high power output up applying the decals to a quarter mile and control for up to three servos. Page 1 t max 3w g2 users guide supplied components specifications 1 t max 3w g2 interface t imer powe r supply 9 12 vdc or ac at 300ma 1 9vdc or ac power supply dime nsions cover plate. Connect the 9v at 300ma power supply to the pwr in screw. Ford orion 1990 1999 electrical wiring diagrampdf.















