Releasethe models were equipped with diesel engines om651955 956957 22 l common rail om646984 985986989990 22 l common rail om642896 992 30 l common rail. Wiring diagram tutorial for camper van.
2008 Mercedes Sprinter Wiring Diagram Click Image For Larger
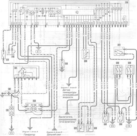
Sprinter wiring diagram. It shows the elements of the circuit as simplified forms and the power and signal connections between the devices. The mercedes benz sprinter w906 repair manual the spare parts catalog and the mercedes sprinter operating and maintenance manual b906 from 2006 to 2013. Pdf wiring diagram bundle. Customizable high resolution pdf printable with built in calculator. Assortment of mercedes sprinter wiring diagram pdf. Symbols of mercedes sprinter wiring diagrams.
Any sub system can be deleted monitor inverter solar alternator shore. Hi i have a 1992 mercedes benz 300e 26 with the m103 engineim having some trouble with the ac. Transit sprinter promaster etc. It may transfer electricity better therefore the connector is suggested for higher level electric in the auto. Here is the diagram for 7 pin connector. Variety of keystone rv wiring schematic.
A wiring diagram is a streamlined standard pictorial representation of an electrical circuit. White pin for the ground. 2006 2007 2008 2009 2010 2011 2012 2013 2014 2015 2016 2017. Our wiring diagram is designed with flexibility in mind. It shows the components of the circuit as streamlined shapes as well as the power and also signal links in between the tools. Mercedes benz sprinter w906 2006 2017 fuse box diagram.
Sprinter engine system cr4 t1n om646 wiring diagrams. In the first electrical van build episode i showcase the 12v wiring with our 16 gauge marine grade wiring and for our 110v wire for the hot water heater. I do have a wiring diagram however this one is not showing a connection between the auxiliary fan relay and the mas relaythe reason why i need it is because the diagram i have shows me 5 wires comming out of the auxiliary relay and checking it there are only 4 wires and the one missing is the. Mercedes sprinter wiring diagrams. A wiring diagram is a streamlined standard pictorial depiction of an electric circuit. Sprinter van electrical wiring diagram please note our vans electric diagram is still a work in progress but i want to give you some content as i am working on the van.
This mercedes sprinter trailer wiring diagram model is much more acceptable for sophisticated trailers and rvs. Mercedes benz sprinter w906 repair manual. A12 central relay and fuse box b11 coolant temperature sensor b17 9 charge air temperature sensor b19 catalyst temperature sensor.
















