Please read the manual study the wiring diagram and apply. It uses unique features found in hi tech dictator vs spitronics a relevant debate forumer.
Getting Started With Spitronics Hyperspace Devices Pdf Free
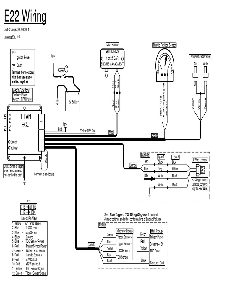
Spitronics wiring diagram pdf. Where existing computers failed and spares are scarce or none is existing. We specialize in spitronics fitments a. The 1uzfe 2uzfe and 3uzfe wiring guide including diagrams. If you are experienced in mechanics and electronics and if you are willing to read the manual you will be assured of a seamless installation. Spitronics ecus comes in a kit made up of wiring looms map sensor relays and software installation manual wiring diagrams and start up maps to ease installation. The 1uzfe 2uzfe and 3uzfe wiring guide including diagrams.
Spitronics is a south african based company that specialises in manufacturing state of the art engine management and transmission control systems. Many good image inspirations on our. A comprehensive and detailed guidecontents table of contents 1 lets begin 2 quick and fast 3 the pin acronyms 4 pin functions 5 the ecu. Rr developments is centrally situated at 396 gerrit maritz street pretoria north gauteng south africa and service customers from all over south africa. Spitronics wiring diagram looking for the wiring diagram on a spitronic system venus mazda cars trucks pontiac trans sport wiring diagram and electrical system. Spitronics has 3 types of plugins used by galaxy titled as follows.
This is how you wire up an efi engine. Spitronics engine management wiring diagram rate toyota 1uz wiring diagram page 5 wiring diagram and schematics spitronics engine management wiring diagram new r4 wiring diagram rh zookastar we collect lots of pictures about spitronics engine management wiring diagram and finally we upload it on our website. Typically a module that provides assistive functionality for spitronics and spitronics core products. The requirement for this computer arises mainly for the following reasons. My videos merely attempt to help you with wiring up your spitronics and i do not take any responsibility for any damage that may result. An example of an application is mercury.
This is a plugin that is intended for configuring or tuning spitronics core hardware devices. Spitronics wiring diagram looking for the wiring diagram on a spitronic system venus mazda cars trucks question the spitronics engine control unit ecu is designed to be a cost effective replacement for hi tech fuel managements systems. Spitronics is a south african based company that specialises in manufacturing state of the art engine management and transmission. Spitronics tcu introduction the spitronics tcu is an aftermarket automatic transmission control unit which is designed to customize shifting and control of many different transmissions. A comprehensive and detailed guide. The greatest advantage of the spitronics product range is the overall simplicity compact size easy installation and real time tuning that carries the do it yourself concept forward.
Jan 03 mercury villager 2 answers.















