Wiring diagram left heat engine. Safety 114 394 3874 0409 sa eurocondense two 320 500 kw 11 3.
W638 Fuse Box And Relay Diagram 1996 2003 Relay Diesel Engine
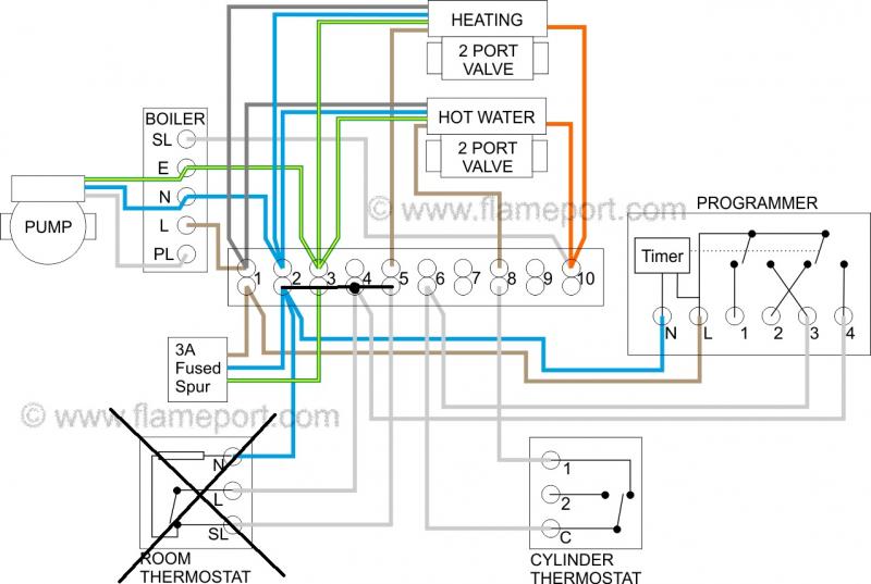
Potterton ep2000 wiring diagram. Potterton ep2000 wiring diagram. The potterton literature library contains documents for all current potterton products as well as discontinued product literature. I need to fit a hot water thermostat to. Ep terminal 1 is hw off terminal 3 is hw on terminal 4 is ch take a photo of the wiring and turn the power off to the programmer. I have a fully pumped system and im pretty sure my system can have ch and hw separate. Summary of contents for potterton ep2.
There is more help available. Has anyone got a wiring diagramfor an ep2000 heating controller that could be e mailed to me clive m august 2009. The potterton ep2000 range of clocks is one of the most popular and long lived time clocks for central heating ever marketed in the uk. 17022019 17022019 3 comments on ep2000 wiring diagram boiler programming is by a potterton ep vintage i looked at the wiring diagram for the ep and compared it with how the. Potterton produced the ever popular ep2002 and ep2000 programmers which were installed in many applications controlling customers boilers the length of britain. Whether you are looking for user guides range guides or installation and servicing manuals you can find the information you need here.
Get instruction manual for an old potterton ep boiler programmer it is a brown one with digital. However the great. No related manuals. The potterton eurocondense two condensing boiler is availab le in eight sizes with outputs at 60c return temperature from 867. Keep my backing place with the original wiring etc but new front panel. Hi all whats the best direct replacement for my potterton ep2001 programmer.
Page 1 the programmer and your system you have an ep2 programmer with which you can set your hot water and central heating to come on for two or three time periods per day with different onoff times for. Mend potterton wiring diagram need to mend your potterton home heating system. Technical data 10 potterton commercial 114 394 3874 0409 sa. It was a huge disappointment when potterton ceased production of this clock. Related manuals for potterton ep2. I have the wiring diagram but not to sure how to wire in the roomsep 17 does anyone know where i can download an installation guide wiring diagram for a potterton ep heating controller.














