Stripe inc 185 berry street suite 550 san francisco ca 94107 usa. The symbol indicates a circuit that has been modified or added.
Mitsubishi Electric Alternator Wiring Diagram Alternator
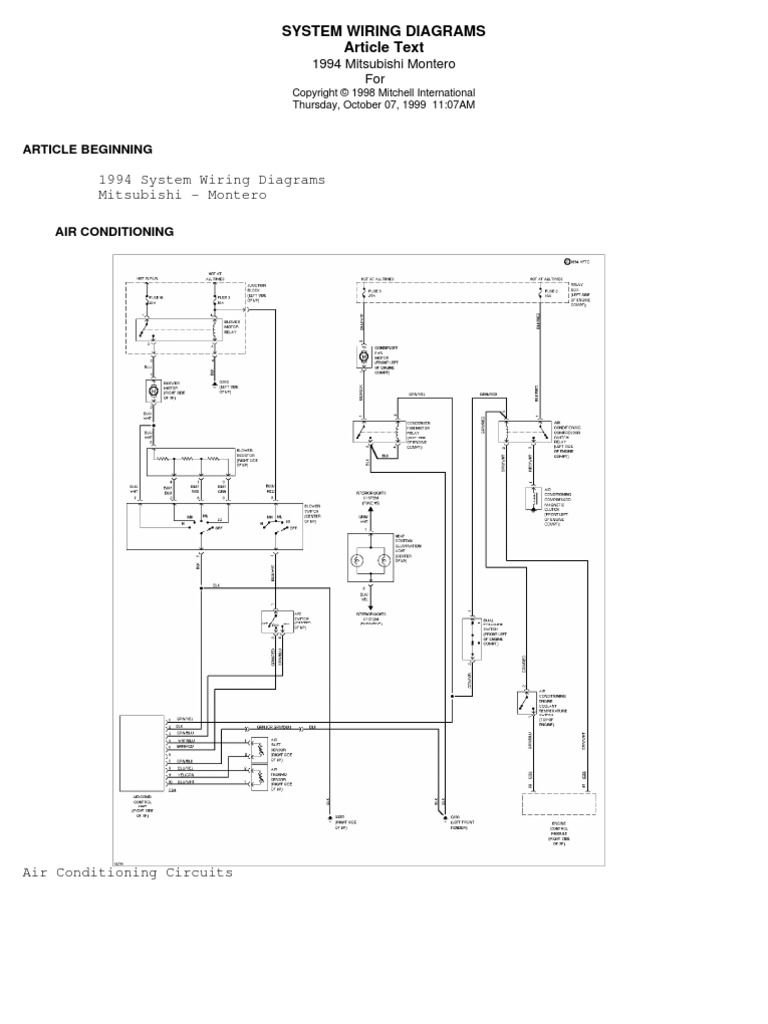
Pajero alternator wiring diagram. The alternator has a rotor that spins when the engine cranks. Stripe this is strictly necessary in order to enable payments powered by stripe via this store. Wiring diagram electrical circuit diagram t3 doka jeep zj car audio installation electronic schematics van car engine repair pajero. 12 volt alternator installation operation manual introduction thank you for choosing a balmarr high output alternator. 5 d e 19 ac engine coolant temperature switch. Details of these circuits can be found in the existing electrical wiring diagram manual 03 1 no1036k77.
Here is a picture gallery about pajero alternator wiring diagram complete with the description of the image please find the image you need. The symbol indicates a circuit that is unchanged. Pajero alternator wiring diagram wiring diagram is a simplified okay pictorial representation of an electrical circuit. Mitsubishi car manuals pdf wiring diagrams above the page i miev delica lancer evolution x lancer cargo outlander asx pajero engine manuals lancer montero galant. The alternator circuit is directly connected to the defogger timer. Diagrams for these circuits are included in this supplement.
Mitsubishi motors was founded in 1917 the first mitsubishi 7 seat sedan based on the fiat tipo 3 came off the assembly linethe car was a failure and its production was discontinued after. From what i can make of the montera american pajero wiring diagram a short in the defogger circuitry would drag the alternator output down putting the light on dim through back circuit flow. Montero identification component location menu component locations table component figure no. Pajero alternator wiring diagram for pajero alternator wiring diagram image size 600 x 600 px and to view image details please click the image. Wiring diagrams 1993 mitsubishi montero 1993 wiring diagrams mitsubishi wiring diagrams mitsubishi. Alternators that have one positive wire connected to the alternator has the ground connected to its case.
It shows the components of the circuit as simplified shapes and the aptitude and signal contacts with the devices. Daniel obrien jeep cherokee. Location ac compressor relay. Mitsubishi fault codes dtc. Wiring diagram how an alternator works. Bosch internal regulator alternator wiring diagram.

















