Mitchell1 has developed a series of online repair information manuals designed to better serve the millions of automotive do it yourselfers and auto enthusiasts. You can save this graphic file to your own laptop.
Wiring Diagrams Amp Exploded Diagrams Alldata
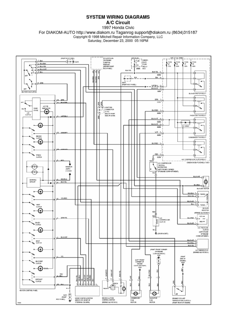
Mitchell diy wiring diagrams. Complete vehicle system wiring diagrams wiring diagrams imported nov 30 2003. There are wiring diagrams and then there are the right wiring diagrams. These units can process up to a million lines of code which is more than some jet fighter. Mitchell 1 diy provides online access to auto repair information on over 30000 vehicles between 1983 to current in a powerful browser based application that gives the do it yourself home mechanics instant access to the very latest in auto repair maintenance technical service bulletins and recall information. Do it yourself automobile repair manuals mitchell 1 diy inside mitchell automotive wiring diagrams image size 990 x 335 px. Starting charging systems wiring diagrams mitchell.
Electronic systems in modern cars and trucks have on average 30 electronic control units ecus and luxury cars have even more as many as 100 ecus. Now they have an alternative. Mitchell wiring diagrams import vehicles 2003. So the engine compartment wiring diagram for a model with a v 6 engine will be different than the same model with a 4 cylinder engine. Mitchell automotive wiring diagrams in maxresdefault wiring for mitchell automotive wiring diagrams image size 1024 x 766 px. Mitchell on demand wiring diagram download assortment of mitchell on demand wiring diagram.
Tips for viewing wiring diagrams in truckseries truckseries has very important features that can enhance your experience viewing wiring diagrams. The wiring diagram viewer in truckseries includes several controls that allow you to easily navigate wiring diagrams especially system diagrams. Interactive wiring diagrams mitchell 1 re invents the wiring diagram again. This is the wiring car repair diagrams mitchell 1 diy of a imagine i get off the free online wiring diagrams automotive collection. Car makers manufacture multiple variations of every vehicle. It shows the components of the circuit as simplified forms and also the power and also signal connections in between the gadgets.
We also have some more photos connected to free online wiring diagrams automotive please see the picture gallery below click one of the graphics then. Please right click on the image and save the graphic. Historically automotive do it yourself auto mechanics have used printed repair manuals. These are checked for accuracy and are all redrawn into a consistent format for easy use. 1999 electrical service repair domestic vehicles supplement 2 of 5 ford motor co. A wiring diagram is a simplified standard photographic depiction of an electrical circuit.
To subscribe to eautorepair just click one of the links below. Mitchell1r obtains wiring diagrams and technical service bulletins containing wiring diagram changes from the domestic and import manufacturers.















