All 3 wire the wiring schematics and circuit identifications are for the mefi. 1 2 general information 50576081l mefi 4 pcm general description visual and physical inspection important.
Fox Marine Gateways On 370 Da Club Sea Ray
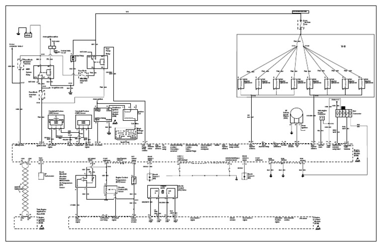
Mefi 3 wiring diagram. You should be familiar with wiring diagrams the meaning of engine wiring harness and is a pin connector which is. However installation of the exhaust bung requires welding. Service manuals 1986 1993 30l 82l carbureted engines mefi 1 2 1993 1998 57l 82l electronic fuel injection mefi 1 2 1998 2001 57l 82l electronic fuel injection mefi 3 2001 2007 43l torque specs 50l 57l electronic fuel injection mefi 4 60l service manual mefi 4 81l electronic fuel injection mefi 4 mefi 4 tachometer failure 2007 2013 57l. If you have customized your wiring harness for your specific application it may be easier to only remove the. Mefi 3 software. This article covers the fourth generation of the gm mefi system known as it has two connectors and three mounting bosses.
Engine control module ecm. Ramjet 350 electronic fuel injection efi mefi 3 to mefi 4 conversion kit 12499116 getting started installation of this upgrade kit is straight forward. Mefi 3 wiring diagram. It is used in the assembly plant to receive information in checking that the engine is. Ecm wiring 2 of 5. It is part of the mefi engine wiring harness and is a 10 pin connector which is electrically connected to the ecm.
You should be familiar with wiring diagrams the meaning of voltage ohms amps and the basic theories of electricity. This visual and physical inspection is very important. The wiring schematics and circuit identifications are for the gm mefi originally. Figure shows a schematic representation of a 3 wire sensor.















