Use only with the maestro accessory dimmers maw r. A wiring diagram is a streamlined standard photographic depiction of an electric circuit.
About Low Voltage Dimmers Deep Discount Lighting Archive
Maestro dimmer wiring diagram. Wellborn variety of lutron maestro dimmer wiring diagram. Neutral black black black brass brass brass dimmer companion dimmer companion dimmer blue. Diy smart home guy 200439 views. Maestro occupancyvacancy sensors dimmers switches maestro occupancyvacancy sensors sensors maestro timer. August 18 2018 by larry a. November 13 2018 by larry a.
Do not paint dimmers or maestro accessory dimmers maw r. To find a diagram for a specific product or system please use the drop down menus below. Specify the product or system. Maestro dimmers are not compatible with standard 3 way switches. Wellborn assortment of lutron maestro 3 way dimmer wiring diagram. Search the lutron archive of wiring diagrams.
A wiring diagram is a simplified traditional photographic depiction of an electrical circuit. It shows the components of the circuit as simplified shapes and also the power as well as signal connections in between the devices. It shows the elements of the circuit as streamlined forms and the power as well as signal connections between the devices. This type of installation cap or remove the green ground wire on the dimmer and use an appropriate wallplate such as lutrons claro series wallplates. Maestro dimmer switch. Diy 3 way switch ge leviton z wave smart switch installation for your wink smart home automation duration.
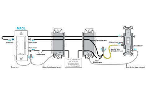
Maestro led dimmer wallbox controls wiring diagrams continued dimmer line side dimmer load side dimmer in the middle 4 way wiring using ma r companion dimmer note. Dimmer can be installed on the line side load side or in the middle of the circuit. How to wire a macl 153m with a mechanical switch.
















