And owners manuals on the internet are free to download and all service manuals contain wiring diagrams in the back pages. Keeway motor is a company founded in 2003 as a new motorcycle brand for the european market.
56fa Manual Moto Keeway Dorado 250 Wiring Library
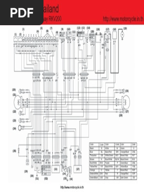
Keeway wiring diagram. Some keeway motorcycle manuals wiring diagrams pdf above the page supershadow ry6 ry8 speed rk tx. 2006 2006 keeway parts manual f act 50zip. The rest usually charge a modest fee around 10 sometimes more and there is a handful of obscure rare. Keeway tx 50 manual keeway 2010 tx50 supermoto question. Repair manuals 839 mb. Its headquarters is located in budapest hungary.
Page 33 disassemble starter motor and coil in starter coil check wiring in electrical contact make following broken starter control system starting relay is inspections shorted. Home the12volts install bay vehicle wiring information file requests keeway superlight 125 wiring diagram. Repair manuals 265 mb. View and download keeway speed 125 user manual online. Wiring diagram 2008 keeway f act 50. June 02 2019 at 554 pm ip logged.
At the same time the brand itself belongs to the large chinese concern qjian jiang the leader of the chinese market in terms of production. Clicking this will make more experts see the question and we will remind you. 2007 2007 keeway parts manual fact 50 ver 071016zip contains long xls sheets. Hi there i have a keeway on the clock wiring it has 3 wires 1 is a little blue 1 and 1 big 1 and a 1 with 2 wires there is no ress when i rev it the speedo works any help at posted by mark elliott on mar 28 2014. Rkv125 motorcycle pdf manual download. Welcome guest members search register login prev topic next topic roakusfm.
Browse categories answer questions. Speed 125 motorcycle pdf manual download. Tightening torque for bolt 10 in the diagram5 9 n m tightening. 2008 keeway parts manual fact 50 ver 080326zip contains long xls sheets. Please understand that this service manual acts as a general guide for keeways entire line of 50cc 2 stroke scooters. Model specific information such as vehicle specifications wiring diagrams and technicalservice bulletins will follow keeping this guide as complete and current as possible.














