Done paul 1992 corrado all motor drag project email protected and falling. New lc 2 replaces the lc 1 the evolution of the worlds most popular stand alone digital o² sensor controller the innovate motorsports lc 2 builds upon the legacy of the lc 1 by adding simplicity and leading edge technology.
How To Connecting An Innovate Motorsports Afr Boost Gauge
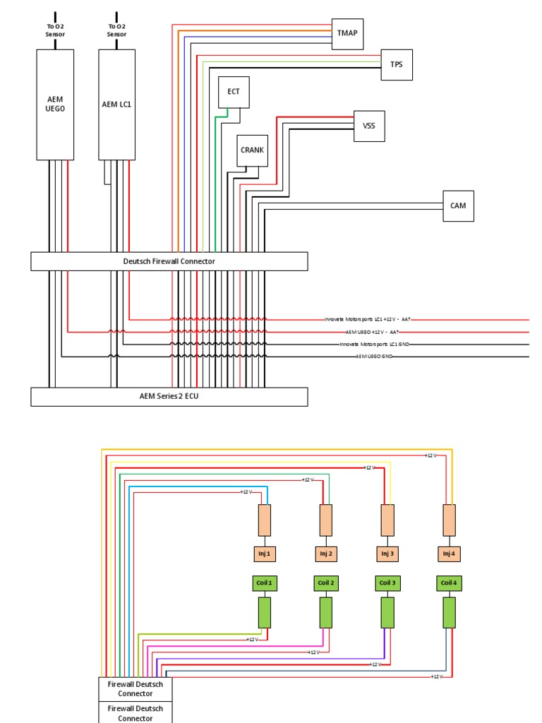
Innovate lc1 wiring diagram. Optionally connect a momentary push button switch between ground and the black calibration wire. How to properly install wiring for a 24v minn kota trolling motor with a circuit breaker. For any lc 1 purchased after june2006 that should be all you need to be concerned with when wiring it up. Wiring diagram for innovate lc 1 wideband. The lc 2 utilizes the only 100 digital wideband airfuel ratio technology on the market. If the wire is not are not being used isolate and tape the wire out.
For gasoline driven engines the theoretically optimal air fuel ratio is 147 pounds of air for every pound of fuel. If you purchased your lc 1 prior to july 2006. Bench test example of how to wire an innovate lc 1 wideband and gage. So youll wire the analog output from the lc 1 to one side of the. Use a 470 ohm 14watt resistor in between the analog output of the lc 1 and the o2 input of the megasquirt. Please refer to section 21.
2 1 overview the lc 1 is a stand alone wideband controller used to measure the airfuel ratio afr or lambda for an engine. Wire it as per the lc1 instructions hook analog 2 to the o2 input of the ms. The lc 2s patented award winning directdigital signal processing. The use of the calibration wire is not necessary if the lc 1 is connected to innovate motorsports xd 16 digital gauge. Megasquirt help needavr6 08 08 2008 0346 pm 7.















