Wiring of oy0xxs oy1xxs with automanual start function without safety relay. Is an iso 90012015 certified world leader in the manufacturing of sensors and controls for industrial automation.
E11509 Wirable Socket Eclass 27279201 27 27 92 01
Ifm wiring diagram. Watch the following videos to see how our io wiring conversion systems can help you save time and money and reduce wiring errors when converting from plc 5 io to controllogix io. Separate power source when wiring various modules updated diagram labels for wiring the 1756 if6i module chapter 6 updated fahrenheit temperature conversion range values for cold junction compensation types and cold junction offset option added advisory not to exceed the spec ific isolation voltage when using a. En us sm9001 00 12112014 accessoryheadline. Wiring guide to ifm safety light curtains and safety relays version 2 4 23 2013. 1100 atwater drive malvern pa 19355 we reserve the right to make technical alterations without prior notice. 1100 atwater drive malvern pa 19355 we reserve the right to make technical alterations without prior notice.
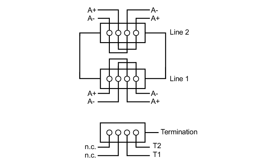
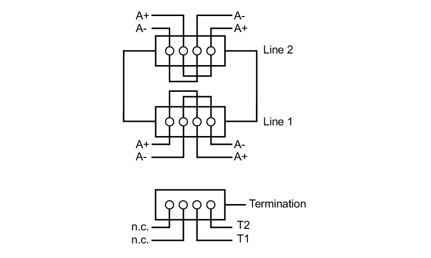
Connection technology complete ifm product range accessories accessories fluid sensors and diagnostic systems technical information and customer service wiring diagrams scale drawings technical glossary ifm information and ordering service 5 7 9 15 17 35 37 77 79 127 173 189 129 153 155 171 191 215 217 228 232 234 236 271 272. Is there any existing wiring diagram documentation showing wire terminal numbers and field side wiring for a ow16i module with ifm40f fs ifm module. We ship 90 of our orders within one hour and have an engineering customer support team available as part of our philosophy of. Wiring diagram when not using a safety relay reference. Title oy wiring rev2. Watch the following video tutorial to learn more about how the bulletin 1492 wiring system can save panel space.
En us ebc054 00 09072012 accessoryheadline. Interface modules for allen bradley plc platforms connect with cage clamp wiring systems for plc io cards have been reducing wiring time eliminating errors and. En us ebc012 00 29112011 open all accessories categories close all accessories categories. 1 adhesive label card. With our us headquarters and warehouse situated in southeastern pennsylvania we are poised to serve our 26000 customers nationwide. 1100 atwater drive malvern pa 19355 we reserve the right to make technical alterations without prior notice.







