White pin to your floor. Which are issued by haldex brake products ltd will be forwarded to you automatically.
L60040 Trailer Troubleshooting Wall Chart Haldex Product
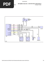
Haldex trailer abs wiring diagram. Mount the new haldex plc select abs 1m assembly to the trailer frame rail. Modal semi trailer wiring diagram for 4s3m and 6s3m. This system has been. Using the 2 two new 516 18 x 1 14 long bolts 516 flat washers and lock nuts. Wiring diagram gen3 2m 86 wiring diagram gen3 3m 87 system drawing layout colas. This vehicle is designed not just to travel one place to another but also to take heavy loads.
Modal semi trailer wiring diagram for 2s1m 12v system 72kb. Piping diagram page 6 wiring diagrams page 6 warning lamp and page 8 system check procedure lamp circuit page 9 multimeter readings page 10 fault finding and page 11 rectification chart recommended page 12 maintenance schedules service parts page 13 your trailer has been fitted the haldex mgx anti lock braking system. In satisfactory installation of haldex eb gen3 onto full semi and centre axle trailers. Using existing vehicle trailer abs warning lamp n1 this wire is to be connected to the unfused ignition switched battery positive supply. This automobile is designed not only to travel one location to another but also to take heavy loads. Configuration delivers ebs braking with integrated abs electronic load sensing multiple can 3 modulator.
Both fittings will be re used in the haldex plc select abs 1m. This haldex trailer abs wiring diagram version is far more acceptable for sophisticated trailers and rvs. Trailer abs wiring diagram bendix trailer abs wiring diagram haldex trailer abs wiring diagram meritor trailer abs wiring diagram folks understand that trailer is a car comprised of quite complicated mechanisms. This report will be discussing trailer abs wiring diagram. Modal full trailer wiring diagram for 4s3m and 6s3m. This car is designed not only to travel 1 location to another but also to take heavy loads.
This guide will be discussing trailer abs wiring diagram. Heres the diagram for 7 pin connector. It can transfer power better therefore the connector is suggested for higher level electric in the vehicle. Trailer abs wiring diagram bendix trailer abs wiring diagram haldex trailer abs wiring diagram meritor trailer abs wiring diagram folks comprehend that trailer is a car comprised of very complicated mechanisms. This article will be talking trailer abs wiring diagram. Trailer abs wiring diagram bendix trailer abs wiring diagram haldex trailer abs wiring diagram meritor trailer abs wiring diagram people understand that trailer is a vehicle comprised of very complicated mechanisms.
Modal ecu connector and power supply details. Haldex abs modal ecu wiring diagrams. Install in the same location as the removed bendix r12 relay valve. Trailer wiring schematic 78 wiring diagrams 2s2m 79 wiring diagrams 4s2m 82 section 5 general.













