Complete exploded views of all the major manufacturers. 315000000 higher lazer z lze units partno.
Exmark Lzz34ka726 Lazer Z Ac S N 790 000 Amp Up Parts Diagram
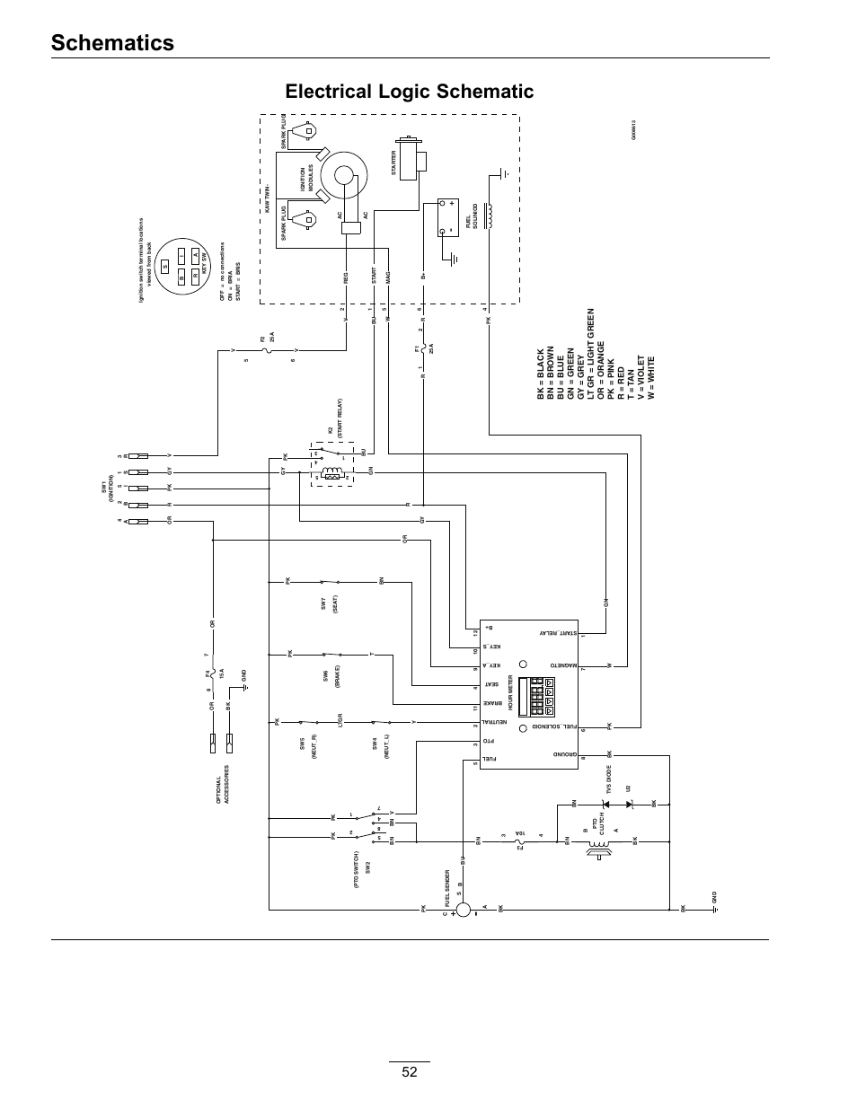
Exmark lazer z 60 wiring diagram. Exmark lazer z wiring schematic schematics electrical diagram kohler ignition switch exmark rh manualsdir exmark lazer z parts diagrams 20 hp kohler engine wiring diagram. The standard of excellence for operator comfort set by the exmark lazer z suspension platform has expanded to radius s series models. Click below for more service videos including installing a collegiate seat on an exmark lazer z mower. Exmark zero turn mowers lazer z parts with oem exmark parts diagrams to find exmark zero turn mowers lazer z repair parts quickly and easily. Summary of contents for exmark lazer z page 1 congratulations congratulations model no. Las25kc604 exmark 60 lazer z as zero turn mower 25hp kohler sn.
It is easy and free. Call center open from home. Lazer z e series for serial nos. On the purchase of your new exmark mower. 600000 669999 2006. Exmark lazer z wiring diagram wiring diagram is a simplified tolerable pictorial representation of an electrical circuitit shows the components of the circuit as simplified shapes and the capability and signal links between the devices.
This product has been carefully designed and manufactured to give serial no. Deck widths from 48 to 60 as low as 6999 129 mo usd. Exmark las25kc604 sn 670000 719999 2007 exploded view parts lookup by model. 370000 439999 2003. Diagrams and order genuine details about exmark lazer z hp wiring diagram has been uploaded by ella brouillard and tagged in. If you have any questions or concerns contact the exmark customer service department at 402 223 6375 or visit your local dealer.
Exmark lazer z hp user manual schematics electrical diagram kohler ignition switch exmark gardening equipment. Exmark repair parts and parts diagrams for exmark lz27kc604 exmark 60 lazer z zero turn mower 27hp kohler sn. Wiring diagram pics detail. You a maximum amount of dependability and years of trouble free operation.







_WW_12.gif)









