Modular arrangements of motors gearboxes drums rope leadoff reeving and drive controls provide the optimum solution. 1 example of a rating plate.
Double Girder Max E Lift Harrington Motorized End Trucks
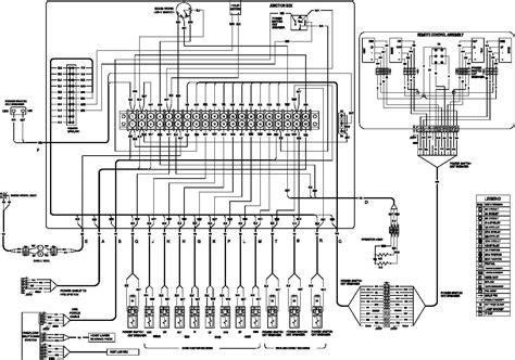
Demag crane wiring diagram. You are right below. Grounding through the wheels to girders and runway steel is not permitted. Searching for details regarding overhead crane electrical diagram. Demag crane catalog. Connect collectors to appropriate crane wiring as shown in crane inter connection diagram figure 10. You can save this photo file to your own personal pc.
Manufacturer demag cranes components gmbh po. Demag dh wire rope hoists incorporate advanced electrical and mechanical engineering in many forms including standard headroom low headroom or double rail trolley units. Wiring diagram continued tm 5 3810 306 20543 size. Please right click on the image and save the photo. 70 national electric code a separate bonding conductor must be run for ground. This is the diagrams55001940.
Of demag ac 300 6 and ac 220 5 all terrain cranes for weiss kranservice. Documents similar to demag crane wiring schematic. In accordance with article 610 of nfpa no. Beh electric chain hoist. Owner where in use size serial number year of manufacture operating voltage control voltage frequency wiring diagram number tab. Demag ac 300 6 and ac 220 5 all terrain cranes for weiss kranservice june 19 2020 read more.
Wiring diagram number accompanying documents operating instructions demag fdr 3 fdr 5 fdr 10 pro rope hoist 214 932 44 720 is 813 demag ekdr 3 ekdr 5 ekdr 10 pro rope hoist 214 725 44 720 is 813. Our people also have some more photos connected to overhead crane electrical diagram please see the graphic gallery below click. Old style electric prior to 2007 manual. Overhead crane wiring diagram filewiring of a imagine i get directly from the overhead crane electrical diagram collection. 1 example of a rating plate item designation 1 manufacturer see above 2 chain hoist type. Demag chain hoist dc pro 1 dc pro 2 dc pro 5 dc pro 10 dc pro demag each demag chain hoist is provided with a wiring diagram.
You might be a service technician that wishes to seek referrals or address existing problems. Box 67 d 58286 wetter telephone 2335 92 0 telefax 2335 927676. Crane type year of manufacture load capacity crane serial number chain hoist model code chain hoist serial number drawing number operating voltage control voltage frequency wiring diagram number contactor controldirect control supplier assembled by signature date tab. Or you are a pupil or maybe even you that simply want to know about overhead crane electrical diagram. Demag dc chain hoist and important information if you ever have to contact the manufacturer or his representative.















