Read more 2004. John huh february 19 2016.
99 Chevy Cavalier Headlight Wiring Diagram Maclaren 7
Cavalier wiring diagram. Whether you are installing an aftermarket stereo or putting back a factory radio this cavalier stereo wiring diagram can help. Regardless of whether you need to make a few tweaks or whether youve got to overhaul all the wiring auto zone is here to help. If you own restore or service vintage soda machines you are in the right place. One of the most time consuming tasks with installing an after market car stereo car radio car speakers car amplifier car navigation or any car electronics. The soda jerk works thanks for visiting. Upgrading your chevy cavalier stereo is a common upgrade for the sporty coupe.
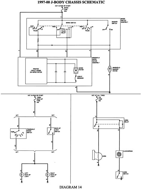
Read more 2002 chevrolet cavalier radio wiring guide. It shows the components of the circuit as simplified shapes and the talent and signal links in the company of the devices. It reveals the parts of the circuit as simplified shapes as well as the power and signal connections between the tools. The stereo wiring diagram listed above is provided as is without any kind of warranty. Access our chevy cavalier and pontiac sunfire 1995 2000 wiring diagrams repair guide by creating an account or signing into your autozone rewards account. Be sure to check back often since new features and products are added frequently.
3 responses to 2001 chevrolet cavalier. Chevy cavalier stereo wiring diagram. 2004 chevy cavalier headlight wiring diagram wiring diagram is a simplified normal pictorial representation of an electrical circuit. Automotive wiring in a 2004 chevrolet cavalier vehicles are becoming increasing more difficult to identify due to the installation of. When putting in a single or. Assortment of 2000 chevy cavalier radio wiring diagram.
A wiring diagram is a simplified conventional photographic depiction of an electrical circuit. Whether your an expert chevrolet cavalier mobile electronics installer chevrolet cavalier fanatic or a novice chevrolet cavalier enthusiast with a 2004 chevrolet cavalier a car stereo wiring diagram can save yourself a lot of time. Use of the information above is at your own risk. Whether your an expert chevrolet electronics installer or a novice chevrolet enthusiast with a 2002 chevrolet cavalier a car stereo wiring diagram can save yourself a lot of time. There are diagrams available on the site even for older models. 1992 chevrolet cavalier j body engine control wiring diagram 114 kb 1997 chevrolet s10 ground distribution system 22l engine part 1 37 kb 1997 chevrolet s10 ground distribution system 22l engine part 2 31 kb 1999 chevrolet lumina airbag wiring diagram 24 kb 1999 chevrolet lumina sir system airbag circuit diagram 104 kb.

















