07 to 08 mm 5 speed constant mesh. 2001 2001 bajaj pulsar 150 180 training notes manualpdf repair manuals 134 mb.
126 Bajaj Pulsar Wiring Diagram Wiring Resources
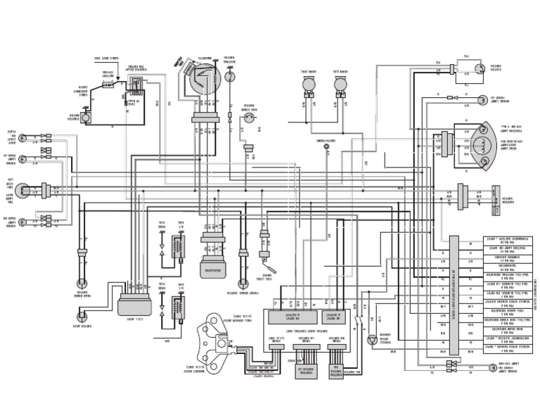
Bajaj pulsar 150 wiring diagram pdf. Pulsar engine simple wiring start engine pulsar engine simple wiring start engine bajaj pulsar 150180 wiring pulsar 150180 wiring diagram pulsar wiring in hindi pulsar motorcycle ki wiring detail ke liye aap ye video dekh sakte hai pulsar 200ns the complete bike engine type 4 stroke dts i air cooled single cylinder. Disc brake disc brake 15 litres 32 litres 20 litres 2035 mm 765 mm 1115 mm 1345 mm 165 mm pulsar 150 twin disc 4 stroke natural air. The indian brand bajaj auto founded in 1945 ranks third in the world in the production of motorcyclesinitially the company was in the sale of 2 and 3 wheel carts rickshaws popular among the indian population. Pulsar 180 4 stroke natural air cooled. After 14 years in 1959 bajaj auto acquired a state license for the. Some bajaj motorcycle parts manuals wiring diagrams pdf are above the page cheetak super excel legend.
For details please refer to warranty. 1 1400 100 1702 ps at 8500 rpm 1422 nm at 6500 rpm dc cdi champion rg4hc 2 nos. Page 1 vehicle dealers or authorised service centres as per the schedule contained in this booklet your bajaj pulsar 150 dts i comes with a warranty of 2 years or 30000 kms. 6350 mm x 5640 mm 17860 cc 95 05. Whichever occurs earlier from the date of sale. Scope limits given in this manual.
English 78 xcd 125 dts si.















