Radio wire diagram 2001 aztek. I own a 2001 pontiac aztek.
2448c Deville Radio Wiring Diagram 2002 Wiring Resources
Aztek wiring diagram. Fuse box location and diagrams. I have recently had my stereo cut out and am trying to put in an aftermarket stereocd player. Unfortunately mine do not match. Pontiac aztek wiring diagrams. Radio battery constant 12v wire. Stereo wiring diagrams subcribe via rss.
April 11th 2012 posted in pontiac aztek. 2001 pontiac aztek wiring diagram wiring diagram is a simplified gratifying pictorial representation of an electrical circuit. Yellow radio ground wire. There are two things you need to know. 2004 pontiac aztek stereo wiring information. Automotive wiring in a 2004 pontiac aztek vehicles are becoming increasing more difficult to identify due to the installation of.
I have 4 sets of wires in twisted pairs green and greenblack blue with black green with tan black with blackwhite i also have three orange one is constant 12v a. We get a lot of people coming to the site looking to get themselves a free pontiac aztek haynes manual. Read more 2002 pontiac aztek car radio wiring. Listed below is the vehicle specific wiring diagram for your car alarm remote starter or keyless entry installation into your 2001 2005 pontiac aztekthis information outlines the wires location color and polarity to help you identify the proper connection spots in the vehicle. Automotive wiring in a 2002 pontiac aztek vehicles are becoming increasing more difficult to identify due to the installation of. Pontiac aztek 2000 2005 fuse box info.
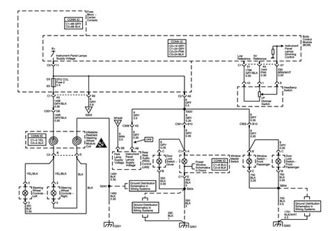
Firstly its illegal and secondly. Every stereo wiring diagram agrees with the colors posted here. Free wiring diagrams with regard to 2001 pontiac aztek wiring diagram image size 1000 x 704 px and to view image details please click the image. Unsubscribe from fuse box info. Looking for a free pontiac aztek haynes pontiac aztek chilton manuals. 2003 pontiac aztek alarmremote start wiring does anyone have the diagram for a 2003 pontiac aztek.
Whether your an expert pontiac aztek mobile electronics installer pontiac aztek fanatic or a novice pontiac aztek enthusiast with a 2002 pontiac aztek a car stereo wiring diagram can save yourself a lot of time. Here is a picture gallery about 2001 pontiac aztek wiring diagram complete with the description of the image please find the image you need. Black radio illumination wire. Subscribe subscribed unsubscribe 306k. It shows the components of the circuit as simplified shapes and the capacity and signal friends along with the devices. Orange radio accessory switched 12v wire.
Whether your an expert pontiac aztek mobile electronics installer pontiac aztek fanatic or a novice pontiac aztek enthusiast with a 2004 pontiac aztek a car stereo wiring diagram can save yourself a lot of time. Posted in the12volts install bay vehicle wiring information file requests forum.
















