Ansul r 102 wiring diagram facbooik for ansul system wiring diagram image size 720 x 917 px and to view image details please click the image. Wiring diagram 9 16 9 17.
Ansul Fixed Fire System Test
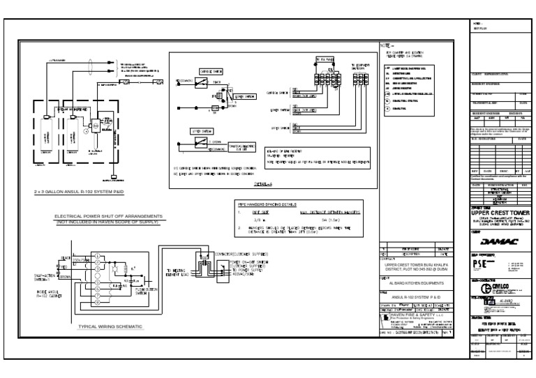
Ansul wiring diagram. A wiring diagram is a simplified traditional photographic depiction of an electric circuit. How to wire a ansul kitchen hood sistem duration. It shows the parts of the circuit as simplified forms and also the power and also signal connections in between the tools. If not the structure will not work as it should be. Ansul solutions for critical assets feature our autopulse z 20 addressable releasing panel inergen iflow clean agent suppression and sound engineering with our acoustic discharge nozzle. Design and application the ansul r 102 restaurant fire suppression system is developed and tested to provide fire protection for restaurant cooking appliances hoods and ducts.
Electrical industry network 90154 views. Label system wiring diagram remote release r ansul. Revision 6 dated 6 august ansul part no. Ansul system wiring diagram ansul fire suppression system wiring diagram ansul system micro switch wiring diagram ansul system wiring diagram every electrical structure consists of various different components. Here is a picture gallery about ansul system wiring diagram complete with the description of the image please find the image you need. Ansul kitchen hood suppression wiring diagram created date.
Ansul aom hd monitor assemblies provide exceptional durability for extended continuous or repetitive use in industrial system applications. 952014 123929 pm ansul kitchen hood suppression wiring diagrampdf download here. It is a pre engineered. Cat 16m318m3 checkfire 210 wiring diagram 2018 may 21 rev. Wiring diagram includes many detailed illustrations that display the relationship of assorted products. Variety of ansul system wiring diagram.
Each part should be set and linked to other parts in specific manner. Protex ii 3 gallon cylinder assembly l protex ii gallon cylinder assembly ansul 6 litre k guard wet chemical fire extinguisher w. Ansul kitchen hood suppression wiring diagram keywords. In the ansul r system design installation recharge and maintenance manual. This manual is intended for use with ansul. It consists of guidelines and diagrams for various types of wiring strategies as well as other items like lights home windows and so forth.
Electrical wiring fire control box duration.















