Steering wheel with simulated wood grained trim. Acura mdx 2006 2009 service repair manualrar.
Wire For The Dome Lights Acurazine Acura Enthusiast Community
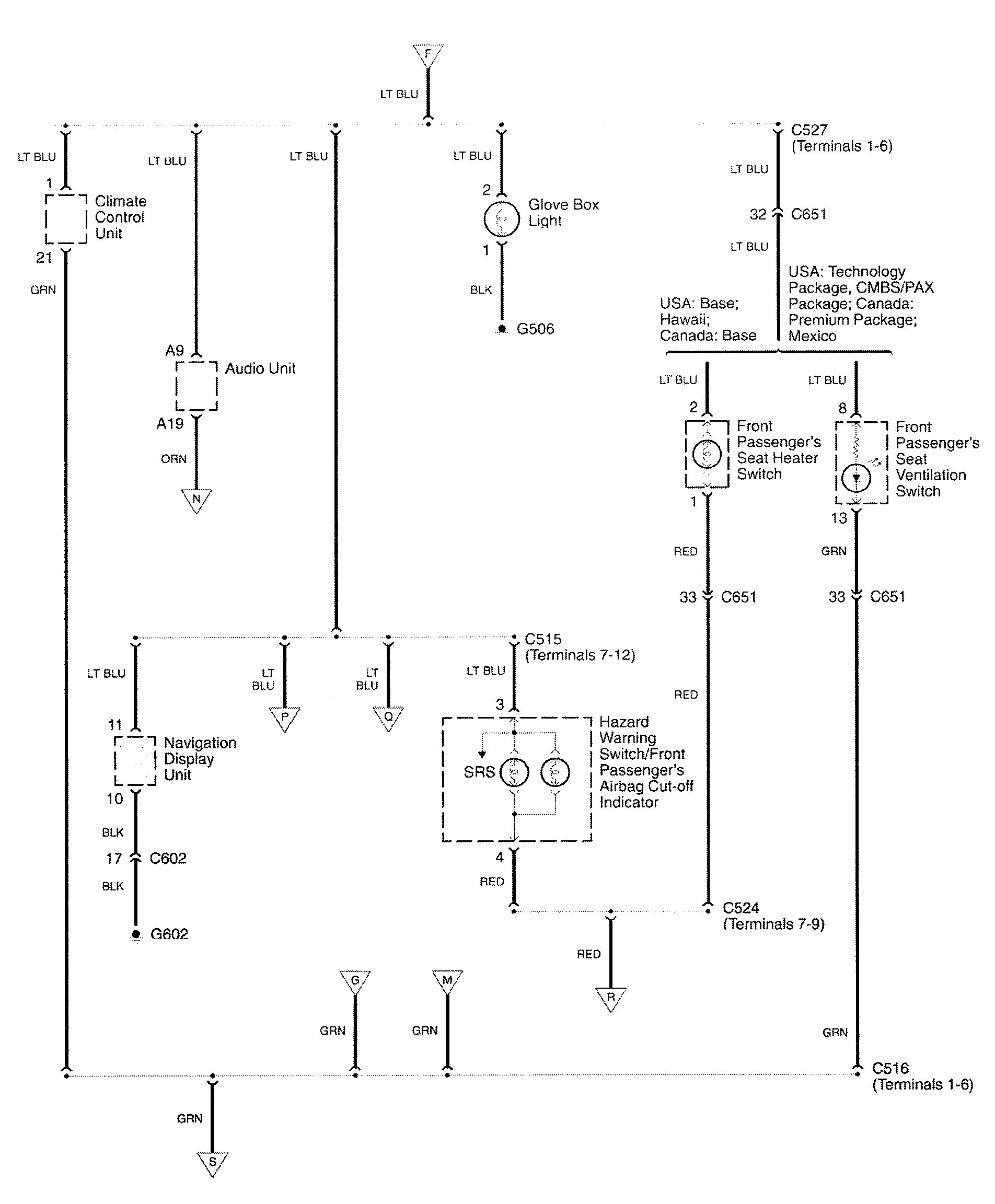
2009 acura mdx wiring diagram. 2009 mdx navigation manual 2009 mdx owners manual. 2009 acura mdx change vehicle. Vehicle wiring results for all acuras displaying 1 40 of 95 records found by year descending make and model click to sort. Whether youre a novice acura mdx enthusiast an expert acura mdx mobile electronics installer or a acura mdx fan with a 2009 acura mdx a remote start wiring diagram can save yourself a lot of time. Links to forum posts will appear in a new window. The mandatory part of the repair manual became the acura mdx wiring diagrams which will help the master or skillful driver to understand electrical equipment problems properly improve its work adjust or repair italso detailed recommendations are given illustrated with drawings and diagrams of how and with what tools it is necessary to act in the event of various repair tasks.
2005 acura mdx radio panel removal replacement instructions. Acura protection package all season mats cargo tray wheel locks roof rack see dealer for attachments. At the time of the release of the brand japanese cars have proven their reliability and economy to customers now honda executives have decided to enter the market of prestigious expensive cars such as european bmw volvo. The automotive wiring harness in a 2009 acura mdx is becoming increasing more complicated and more difficult to identify. Automotive wiring in a 2009 acura mdx vehicles are becoming increasing more difficult to identify due to the installation of more advanced factory. History march 27 1986 was established branch of the concern honda motors in the us known as the acura automobiles division.
Acura mdx pdf service workshop and repair manuals wiring diagrams spare parts catalogue fault codes free download. I need wiring diagram for drivers seat for 04 mdx i am installing a new seat from a salvage yard and the connector is different from the connector under the old seat. To purchase printed manuals you can order online or contact. 2009 connect to amplifier in right side of boot. Acura 2002 tl car stereo amplifier wiring diagram harness. Read more 2009 acura mdx auto start system wiring instructions.
Helm incorporated 800 782 4356 m f 8am 6pm est. Whether your an expert acura mdx mobile electronics installer acura mdx fanatic or a novice acura mdx enthusiast with a 2009 acura mdx a car stereo wiring diagram can save yourself a lot of time. Towing package hitch reciever ball and wiring harness. To save paper and time you can download the latest manuals now. 2009 acura mdx w 80k miles air conditioner stopped blowing cold air on a long trip back from florida. Delivery time is approximately five weeks.
Acura 2002 tl car stereo wiring diagram harness.
















