This is how you wire up an efi engine. 1uz wiring install instuctions 1uz fe conversion wiring harness 85 95 22r e and 3vz e applications notice to customer.
Wiring Diagram For Toyota 1uz Fe Lexus Toyota V8 Uzfe Forums
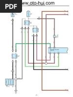
1uz vvti wiring diagram. The engine came with an auto trans but we have sourced a usdm na supra w58 trans. 16 diagrams reference material. 14 connection board for older cars race cars. A comprehensive and detailed guide with over 11000 views. Nwt accepts no responsibility for a harness that has been tampered with no excetpions. A comprehensive and detailed guide with over 13000 views on the oldschoolconz forums.
It runs nicely on the stand of coarse i had to start it. 19 2uz fe diagrams. The seller said it was from a jzx100 chaser. Completed 1uz plug and play wiring harness job ready to send to the customer. 17 1uz fe non vvti diagrams. 20 3uz fe diagrams.
If there is a problem suspected with the wiring harness call nwt. 1uzfe vvti diagrampdf free download as pdf file pdf text file txt or read online for free. Nigel wade is a new zealander who grew familiar with the engine and its wiring as a hobby and decided to share his knowledge to benefit others. The 1uzfe 2uzfe and 3uzfe wiring guide including diagrams. My problem is trying to find an accurate wiring diagram or at least an accurate ecu pinout. 18 1uz fe vvti diagrams.
15 swapping between series one and series two non vvti engine. How to wire up a 1uz fe. The wiring is looking to be a challenge to say the least. My friend and i are swapping a 1jz gte vvti into a mx83 cressida. May 07 hi all ive compiled a package of wiring diagrams and diagostic procedures for the 1uz fe vvti specifically ls. The 1uzfe 2uzfe and 3uzfe wiring guide including diagrams.
12 wiring the surf automatic to run with the 1uzfe. This setup runs on the stock ecu with the cartune company. Jzs14 uzs14 electrical wiring diagram book introduction this page provides information in regards to 1uz fe engine wiring as found in the japanese uzs toyota aristo. 13 diagnostic codes obd1. Do not cut alter or dissect the ors conversion harness.
















