Home 1988 jaguar xjs base convertible 2 door 53l 5343cc v12 gas naturally aspirated 1988 jaguar xj s electrical guide wiring diagram original click on thumbnail to zoom. The color codes are as follows.
1988 Jaguar Xjs Electrical Wiring Diagrams Manual Guide Book Coupe Convertible Ebay
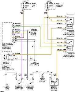
1988 jaguar xjs wiring diagram. There are 2 small wires 1 black and 1 blue and the big cable that connects to the back of the alternator posted by anonymous on jul 07 2014. N brown not neutral usually 12v power b black usually ground. In electrical diagrams this book uses the same wire color coding scheme as jaguar uses in their manuals. If three are indicated the third is a spiral stripe. Jul 07 2014 1988 jaguar xj6. Posted on sep 29 2009.
Listed below is the vehicle specific wiring diagram for your car alarm remote starter or keyless entry installation into your 1988 1991 jaguar xj 6this information outlines the wires location color and polarity to help you identify the proper connection spots in the vehicle. Alternator wiring diagram for 1988 jaguar. If two colors are indicated the first is the base and the second is the stripe. Alternator wiring diagram for 1988 jaguar there are 2 small wires 1 black and 1 blue and the big cable that connects to the back of the alternator. Need a wiring diagram from 1997 jaguar xj 32.


















