1 on engine three connectors ecm. 2 inside control panal four connectors ecm.
Advertisement Ebay Cummins Signature Isx Qsx15 Engine
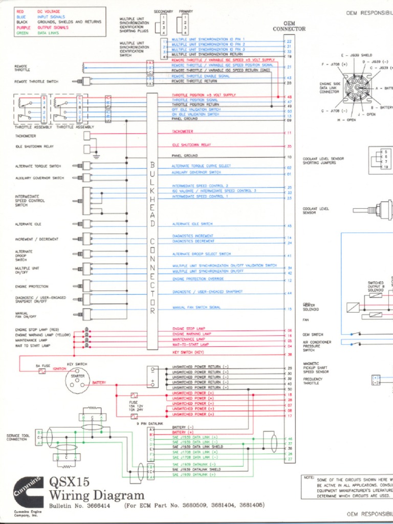
Qsx15 wiring diagram. Cummins isx15 and qsx15 engine workshop manuals service manuals user manuals parts books and spec sheets. Qsx15 wiring diagram 171 search results. 3 inside control panal sex connectors ecm. 2004 ford taurus car radio stereo wiring diagram. Access to documents and materials for your cummins products cummins produces a wide variety of documents to help customers get the most from their engines generators and components. The cummins qsx15 cm570 engine ecm wiring diagram provides information for the correct servicing and troubleshooting of electrical systems and is essential for all mechanics carrying out repairs or maintenance on the cummins qsx15 cm570 engine.
Cummins isx15 electronics electrics wiring diagrams cummins isx electronic schematic 10 pages click to download. Could any one share cummins qsx15 cm570 service manual wiring digram this type fettid on generator 500kva and its come with three types ecm. The cummins qsx15 cm570 power generation engine wiring diagram provides information for the correct servicing and troubleshooting of electrical systems and is essential for all mechanics carrying out repairs or maintenance on the cummins qsx15 cm570 power generation engine. Check out the digital resources listed below or contact us for help with your specific needs. Cummins isx fuel system 18 pages click to download. Much of this library is available online.
Qsx15 ecm wiring diagram by ebiedaly in types brochures and qsx15 ecm wiring diagram. Cummins 2000 isx qsx15 repair manual pdf free onlinecummins shop manual isx qsx15 series engine workshop service manual troubleshooting and repair manualcontents introduction familiarization air intake system overview flow diagram complet. The cummins qsx15 pcc3200 wiring diagram provides information for the correct servicing and troubleshooting of electrical systems and is essential for all mechanics carrying out repairs or maintenance on the cummins qsx15 pcc3200. Qsx15 wiring diagram cars trucks question.















