Location ac compressor relay. Pajero 28 wiring diagram.
F06 Mitsubishi Pajero Nt Wiring Diagram Wiring Library
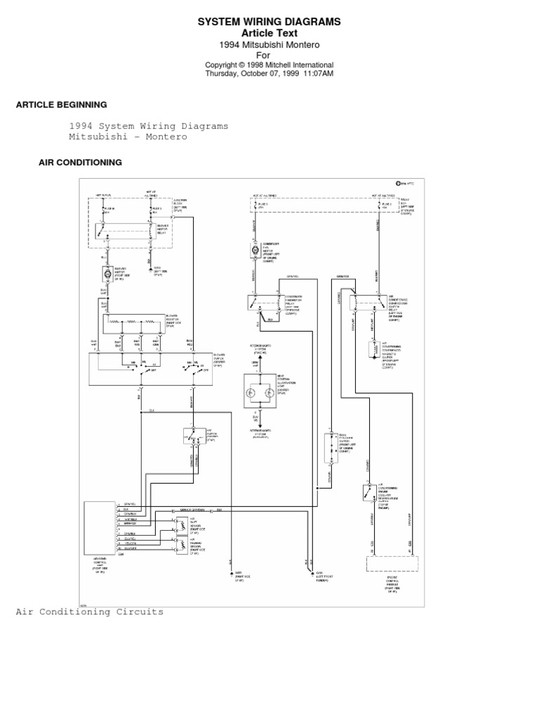
Pajero 2 8 wiring diagram. Mitsubishi pajero electrical wiring manual. Hello again still working on my pajero pajero with a turo diesel engine. Ac connections since my car had a gas petrol connection. Factory service manual for the mitsubishi pajero nl 1993 to 1996 covers all aspects of electrical service including component replacement diagnostic checks wiring diagrams and other useful information. I need to be able tell the engine that the ac is one so it would race the rpm. Wiring diagrams 1993 mitsubishi montero 1993 wiring diagrams mitsubishi wiring diagrams mitsubishi.
Download workshop manual pdf format. Need some wiring help. Mitsubishi pajero electrical wiring diagrams 1991 1999 download. Also i how do i connect the solenoid for the diesel return. Hello again still working on my pajero 1989 pajero with a 28 turo diesel engine. So what i really need is the wire diagram.
5 d e 19 ac engine coolant temperature switch. This is a complete electrical wiring diagrams for the mitsubishi pajero. Note that some wiring harness configuration diagrams and circuit diagrams are compilation diagrams containing information for different vehiclepajero wiring diagram page 3 wiring diagram and schematics mitsubishi pajero wiring diagram 2 8 at electrical control rh facybulka me mitsubishi mini truck wiring. Ac connections since my car had a. Montero identification component location menu component locations table component figure no. Need some wiring help.

















