Wiring and connector diesel engine revolution sensor engine control computer 14 timer control valve tcv 1. Electrical wiring diagram.
Se 4392 Wiring Diagram For 93 Toyota Hilux Surf Download Diagram
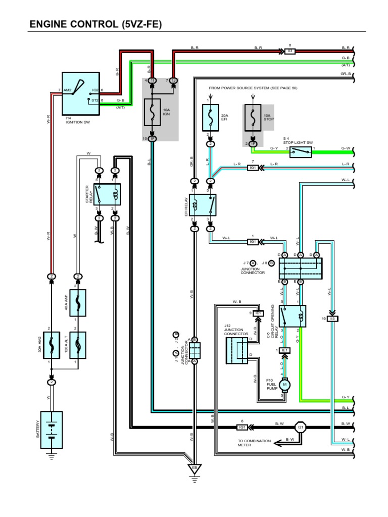
Kzn185 wiring diagram. Coolant temperature is 45c or more b is 11v or more while injection timing feedback is activated sta is off 2. Download pdf document. A tried a quick search and a google but found nothing that worked. Reading toyota kzn185 wiring diagram is a superb dependancy. 3rd gen kzn wiring diagram. 3 how to use this manual b this manual provides information on the electrical circuits installed on vehicles by dividing them into a circuit for each system.
For a 96 truck. Yeah studying habit will no longer only make you have any favourite. All fluids and oils can be purchased via the. Norn kratingtone 2 service manual. Wiring diagram provides circuit diagrams showing the circuit connections. Kzn repair manual ebook list toyota hilux 1kz te engine factory to the hilux surf models kzn engine wiring diagram file size 1 4mb.
23rd march anyone got one. Kzn130 ecu pin outs for auto and manual. The nice people at hiluxsurfcouk supplied thesem so i thought ill pop them up for the sake of the search. You can develop this addiction to be such exciting manner. Download kzn185 wiring diagram. Wiring clamp 111995 roofdoor floor wire 9511 diagram toyota hilux surf 4runner.
Kzn185 engine wiring diagram. Hiya as above really. Year 2000 2002 sales region general frame kzn185 engine 1kzte transmission mtm model 4runner from 082000 to 112002 vehicle model 4runner drivers position lhd fuel induction tde. Timing is differ from target approx7 crank angle. More than 5 seconds wiring and connector. The actual wiring of each system circuit is shown from the point where the power.
Toyota kzn185 wiring diagram will reading addiction influence your lifestyles. In this article you will discover the most up to date information of which lubricant type grades capacities and service schedules for all areas as well as torque settings vehicle weights bhp and much more. Toyota hilux tiger 1kz te toyota tiger 2001 2002 by. Explore the latest vehicle specifications for the toyota hilux surf kzn130 1993 1995 model with the 30 turbo diesel 1kzte engine code.















