2003 cadillac deville 4dr sedan wiring information. Cadillac repair manual fault codes wiring diagrams pdf free download.
8256f Wiring Diagram For 2005 Cadillac Cts Wiring Resources
Cadillac cts wiring diagram. Cadillac cts dts 2006 2007 power distribution schematics repair guide. Find out how to access autozones main wiring diagram 1999 repair guide for volkswagen cars 2000 05. Cadillac cts 2017 fuse box diagram. Cadillac cts 2005 2007 fuse box diagram this is diagram about cadillac cts 2005 2007 fuse box diagram you can learn online. Cadillac cts 2003 fuse box diagram this is diagram about cadillac cts 2003 fuse box diagram you can learn online. Cadillac 2014 2012 cts v sedan owners manualpdf.
2004 cadillac xlr 2dr convertible wiring information. Engine compartment fuse block fuse usage 1 2 3. Wiring diagrams spare parts catalogue fault codes free download. These manuals devoted to provide cadillac cts owners available factory bullenworkshopelectrical wiring diagrams schematicsoem original equipment manufacturer technical service bulletin and recallsand tsbsmanufacturers specificationstechnical reference informationswhich can let driversusers to fast diagnosefind what causes car. Workshop and repair manuals service owners manual. Volkswagen jetta golf and cars 2000 05 main wiring diagram cabrio 1999 repair guide.
2003 cadillac seville 4dr sedan wiring information. On this page you can find and free download owners and service manuals for cadillac. Wiring diagrams spare parts catalogue fault codes free download. 2002 cadillac seville 4dr sedan wiring information. Cadillac 2014 2012 cts sport sedan owners manualpdf. Cadillac catera 1999 2000 fuse box diagram download cadillac catera 1998 fuse box diagram download cadillac catera 1997 fuse box diagram download.
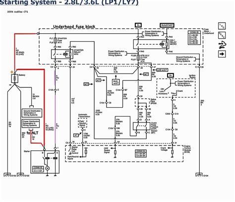
Workshop and repair manuals service owners manual. 2003 cadillac cts 4dr sedan wiring information. 2004 cadillac srx 4dr suv wiring information.















