Anthony work order number wo and door model can be found on data label located on top of door. Hold the door on each side with.
The Speaker Wiring Diagram And Connection Guide The Basics
Anthony doors wiring diagram. Relay coil br evaporator fans 1 fan relay f com no. Tech support parts display cases. Door installation to install the 401b1kdb door assembly 1. 101 101ef 103 2100 2103 5001 401 403 1001 1001ef 1003 1200 cooler 6001 7000 8001 outside mount elm. Cds sliding door parts parts for anthony doors. 101b 210x elm 101x frame installation service manual.
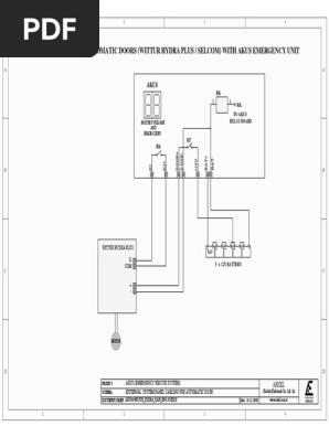
Refer to figure 4 for the wiring diagram label affixed to the frame header. 99 13312 s001 model 1012100 doors service installation rev. 7 7 3 1 b w relay control c 25 fan relay f b 5 6 b b com nc. Using wire connectors these wires should be grouped by the hot wires circuit wires the neutral wires and the. C page 5 of 96 77. Door anti sweat heaters on fan circuit 120v 5060hz standard 077 154 231 308 386 92 185 278 370 463 220v 5060hz export na 084 126 168 210 na 185 278 370 463.
Rod heater drain 9 y y nc. Model 1012100 doors service installation title. Anthony international door installation november 2006 3 ii. Technical info ballast wiring diagram clear openings corner shelf requirements dew point chart frame assembly frame wiring heater amp chart led lighting wiring diagram lighting amps net openings all doors required shelf clearance shipping weights warranty procedures. Rl with anthony doors data sheet set permanent internal jumpers as. 101 101ef 103 2100 2103 5001 door layout access hole cover 101 door gasket aircell 101.
800 708 3735 request tech support request parts downloads crystal merchandiser display cases rvmc24 cooler w 24 doors rvmc24d deep cooler w 24 doors rvmc24rl rear load cooler w 24 doors. Single door controlled egress wiring diagram 01 single door digital entry wiring diagram 10 single door dk 26 with door prop alarm wiring diagram 15 single door dk1 11 xms dt 7 wiring diagram 20 single door dk 26 remote release wiring diagram 14 single door dk 26 unl 24 and dt 7 wiring diagram 18 single door dk 26 using the hard code to toggle lock off and on wiring diagram. Electrical information for model 101 low temp doors frames els electronic. 6 of 6 hussmann corporation bridgeton mo 63044 2483 usa.

















