1756 ib32 1756 ic16 1756 ig16 1756 ih16i 1756 im16i 1756 in16 1756 iv16 1756 iv32 1756 oa8 1756 oa8d. Connect wiring 5 assemble the rtb and the housing 6 install the removable terminal block 6 specifications 7 additional resources 10 topic page added 1756 ia8dk 1756 in16k 1756 oa8k 1756 oa8ek and 1756 on8k modules throughout added atex temp code and certificate number for the 1756 on8 and 1756 on8k modules 8.

New Te Potter Amp Brumfield T92p7a22 240 Dpdt 2 Form C 30a Relay 240vac Coil
1756 tbnh wiring diagram. You must be able to program and operate a controllogix controller to use your. High resolution analog io modules catalog numbers 1756 if8i 1756 irt8i 1756 of8i 1756 ir12 1756 it16 user manual original instructions. Important user information. Input and output modules including specifications and wiring diagrams. Weve got allen bradley 1756 tbnh terminal block removable 20 position nema screw clamp at wholesale prices at rexel usa register now. 1756 tbnh wiring diagram wiring diagram is a simplified welcome pictorial representation of an electrical circuit.
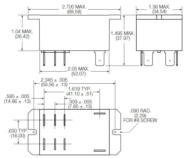
136 nm 12 lbin wiring category1 1 on signal ports. It shows the components of the circuit as simplified shapes and the power and signal connections along with the devices. 6 rockwell automation publication 1756 td002m en e december 2019 1756 controllogix io specifications on state current min 5 ma at 74v ac on state current max 16 ma at 132v ac inrush current max 250 ma input impedance max 825 kω at 132v ac 60 hz. 48v dc source 3060v dc 1756 tbnh 1756 tbsh 1756 og16 16 8 pointsgroup 5v dc ttl source lowtrue 4555v dc 1756 tbnh 1756 tbsh 1756 oh8i 8 individually isolated outputs 120v dc 90146v dc 1756 tbch 1756 tbs6h 1756 ov16e 16 electronically fused outputs 8 pointsgroup 1224v dc sink 1030v dc 1756 tbnh 1756 tbsh. Removable terminal block 1756 tbnh 1756 tbsh rtb keying user defined mechanical slot width 1 wire category 11 north american temperature code t4 iec temperature code t4 enclosure type none open style 1 use this conductor category information for planning conductor routing as described in the system level installation manual. Catalog numbers 1756 if16 1756 if 6cis 1756 if6i 1756 if8 1756 ir6i 1756 it6i 1756 it6i2 1756 of4 1756 of6ci 1756 of6vi 1756 of8 user manual.
False view customer accounts we have updated our data protection policies based on the new gdpr act. 1756 tbsh single wire connection 03321 mm² 2214 awg so lid or stranded shielded copper wire rated at 105 c 221 f or greater 12 mm 364 in insulation max. Do not wire multiple conductors on any terminal. Terminal block torque specs 1756 tbnh. Separate power source when wiring various modules updated diagram labels for wiring the 1756 if6i module.